0
问答首页 最新问题 热门问题 等待回答标签广场
我要提问

开关电源电路升压电路

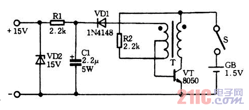
1.5V电池供电15V输出DCDC升压电路

1.5V电池供电15V输出DCDC升压电路
提问者:谢璐晨123 地点:- 浏览次数:9379 提问时间:11-15 01:12
我有更好的答案
提 交
1条回答
liutiefu 11-21 17:14

1.5V电池供电15V输出DCDC升压电路.gif

撰写答案
提 交
1 / 3
1 / 3
相关开关电源电路
TEA1753T开关电源应用电路
TH-1024S集线器开关电源电路图
24V开关电源原理电路图
谁有开关电源电路原理图
一种UC3842设计的PWM开关电源电路
相关升压电路
MAX660与S81350HG构成的升压电路图
CW7800构成的集成稳压器的升压电路之二
1.5V电池供电15V输出DCDC升压电路
LT1111的典型应用电路升压电路图
晶体二极管-电容三倍升压电路