0
问答首页 最新问题 热门问题 等待回答标签广场
我要提问

电源电路升压电路

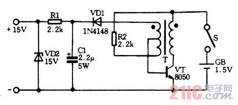
1.5V电池供电15V输出DCDC升压电路

1.5V电池供电15V输出DCDC升压电路
提问者:oqw1 地点:- 浏览次数:10880 提问时间:05-22 19:54
我有更好的答案
提 交
1条回答
60user15 05-29 09:28

1.5V电池供电15V输出DCDC升压电路.gif

撰写答案
提 交
1 / 3
1 / 3
相关电源电路
无噪声的的功放电源电路
LG CF-25H84彩电开关电源电路
LG MC-8AA机心彩电开关电源电路
LG MC-022A机心彩电开关电源电路
LG MC-019A机心彩电开关电源电路
相关升压电路
MAX660与S81350HG构成的升压电路图
CW7800构成的集成稳压器的升压电路之二
LT1111的典型应用电路升压电路图
晶体二极管-电容三倍升压电路
直流电源升压电路a