0
问答首页 最新问题 热门问题 等待回答标签广场
我要提问

开关电源电路充电电路

MP4机的电池充电电路

MP4机的电池充电电路
提问者:jiajia627 地点:- 浏览次数:9459 提问时间:08-29 08:11
我有更好的答案
提 交
1条回答
wei296 09-03 13:33

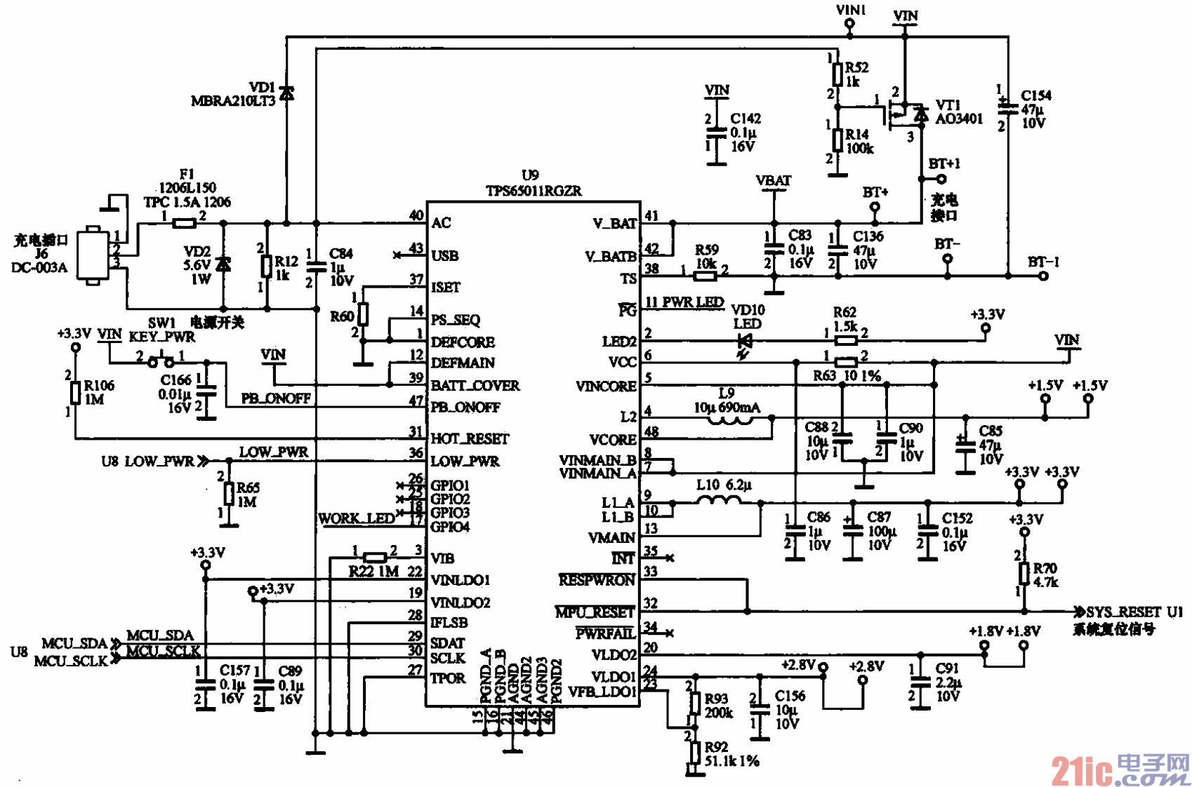
70.MP4机的电池充电电路.gif


MP4机的电池充电电路


示为ACER PM02 MP4机的电池充电电路,充电时外部直流电源经插座输入,经Fl和

U9产生充电电流加到电池接口为电池充电。U9(TPS65011RGZR)是一个管理芯片,它除了驱动充电

电路外,还输出多个稳压赢流电压。在接通电源时产生系统复位信号,提供给MP4机中的数字集成电路。

撰写答案
提 交
1 / 3
1 / 3
相关开关电源电路
TEA1753T开关电源应用电路
TH-1024S集线器开关电源电路图
24V开关电源原理电路图
谁有开关电源电路原理图
一种UC3842设计的PWM开关电源电路
相关充电电路
长延时恒流充电电路
仙童高通2.0手机快速充电方案
LT1307构成的恒流充电电路图
由MIC5158构成的电池充电电路
镉溴蓄电池充电电路