0
问答首页 最新问题 热门问题 等待回答标签广场
我要提问

开关电源电路充电电路

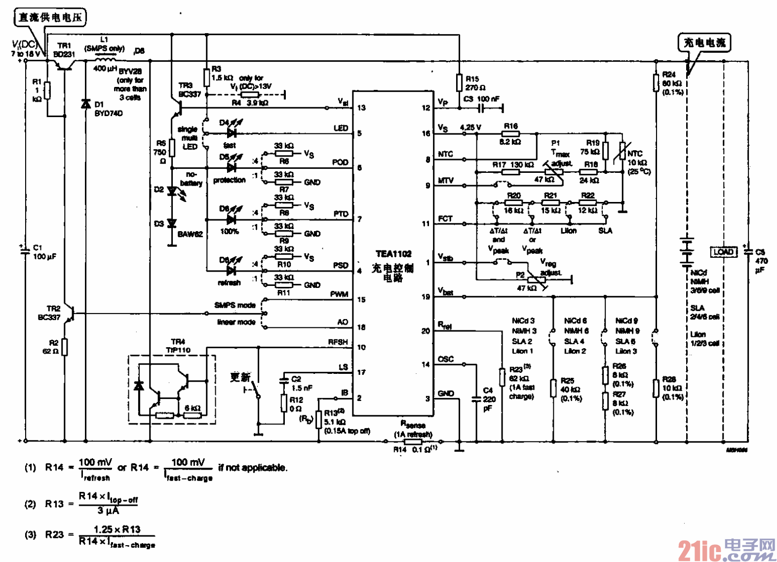
具有充电状态指示的充电电路

具有充电状态指示的充电电路
提问者:IseekerTonyZhu 地点:- 浏览次数:3196 提问时间:04-13 03:23
我有更好的答案
提 交
1条回答
直达成功 04-13 14:01

76.具有充电状态指示的充电电路.gif


具有充电状态指示的充电电路

撰写答案
提 交
1 / 3
1 / 3
相关开关电源电路
TEA1753T开关电源应用电路
TH-1024S集线器开关电源电路图
24V开关电源原理电路图
谁有开关电源电路原理图
一种UC3842设计的PWM开关电源电路
相关充电电路
长延时恒流充电电路
仙童高通2.0手机快速充电方案
LT1307构成的恒流充电电路图
由MIC5158构成的电池充电电路
镉溴蓄电池充电电路