0
问答首页 最新问题 热门问题 等待回答标签广场
我要提问

开关电源电路整流电路

相敏整流电路

相敏整流电路
提问者:玩cool的girl 地点:- 浏览次数:1223 提问时间:09-03 06:03
我有更好的答案
提 交
1条回答
eileenchen321 09-06 12:05

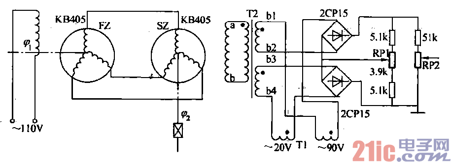
7.相敏整流电路.gif


发送机(FZ)绕组和接收机(sz)三相绕组一一对应连接,110V交流电压供给发送机励磁绕组,初

始角为卿,接收机定子绕组两端输出电压和相位能够反映与发送机转子角位移娩,即反映与发送机之间的

误差角的大小和方向。平衡时,输出电压为零,否则,产生误差,输出一个电压信号。图为单相全波相敏

整流.两组交替工作,分别在电阻5.lkfl上有电压输出,RP1用来调平衡。整流将交流变成直流信号,经

RP2送往运算放大器速度环(ST)输入端进行放大,

撰写答案
提 交
1 / 3
1 / 3
相关开关电源电路
TEA1753T开关电源应用电路
TH-1024S集线器开关电源电路图
24V开关电源原理电路图
谁有开关电源电路原理图
一种UC3842设计的PWM开关电源电路
相关整流电路
桥式整流电容滤波电路
双臂整流模块串联电路
三倍压整流电路
硅整流电容储能直流系统电路
对整流中器件的保护电路图