0
问答首页 最新问题 热门问题 等待回答标签广场
我要提问

电源电路充电电路

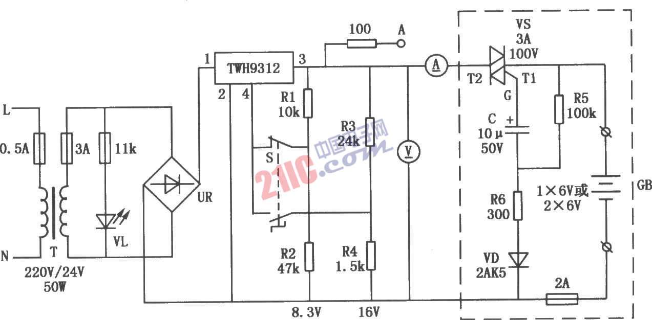
TWH9312构成的密封式铅酸蓄电池充电电路

TWH9312构成的密封式铅酸蓄电池充电电路
提问者:linlin3105 地点:- 浏览次数:676 提问时间:12-24 13:44
我有更好的答案
提 交
1条回答
yysdywerw 12-31 09:27

密封式铅酸蓄电池充电电路,如图所示。它一次可对l只或2只6V、4Ah的蓄电池进行充电。稳压部分采用开关式稳压电源组件TWH9312,输入电压范围宽;内部还设有过流、短路保护,工作安全可靠。


 



 

撰写答案
提 交
1 / 3
1 / 3
相关电源电路
无噪声的的功放电源电路
LG CF-25H84彩电开关电源电路
LG MC-8AA机心彩电开关电源电路
LG MC-022A机心彩电开关电源电路
LG MC-019A机心彩电开关电源电路
相关充电电路
长延时恒流充电电路
仙童高通2.0手机快速充电方案
LT1307构成的恒流充电电路图
由MIC5158构成的电池充电电路
镉溴蓄电池充电电路