0
问答首页 最新问题 热门问题 等待回答标签广场
我要提问

电源电路充电电路

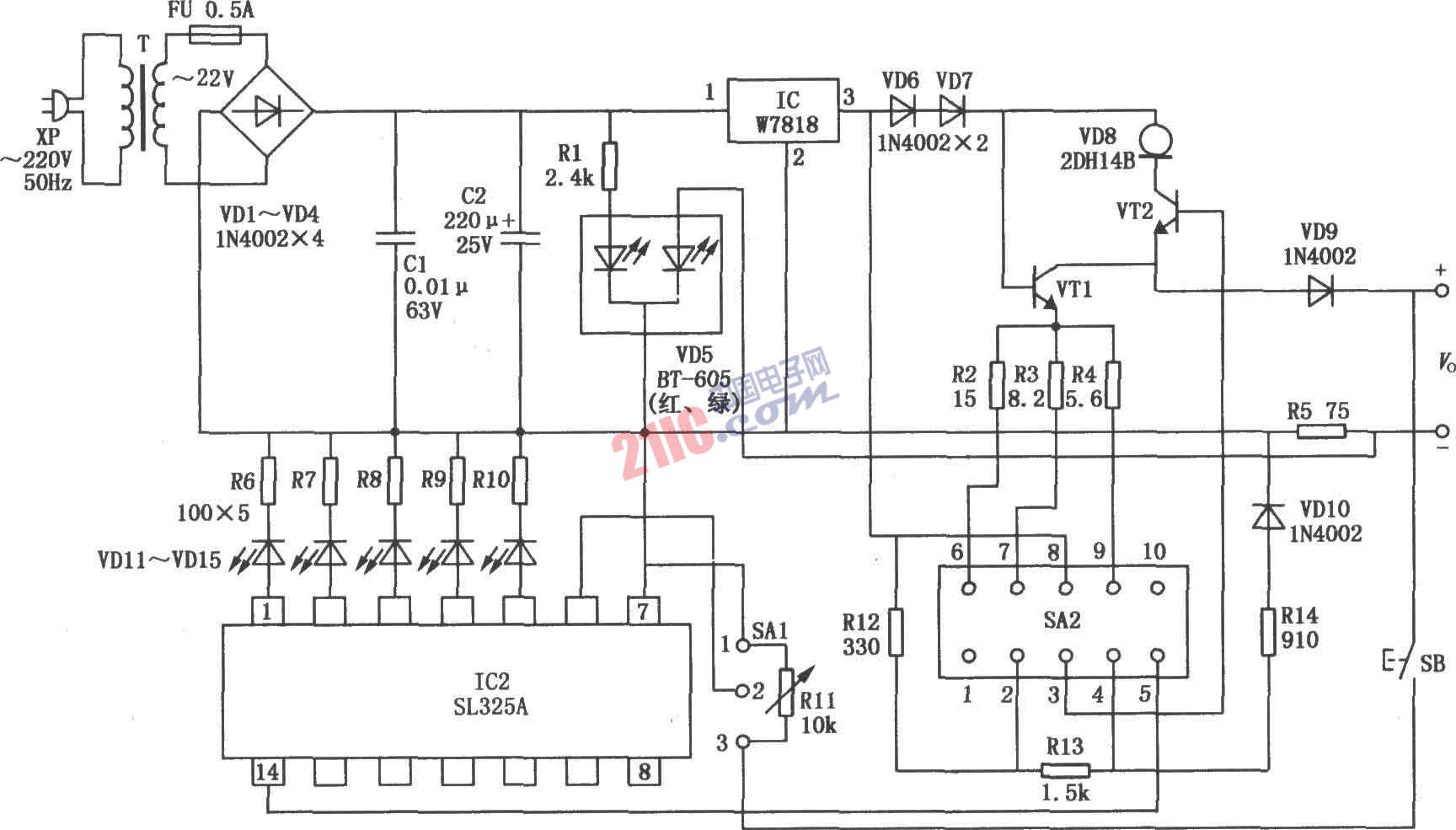
LS325A构成的便携式多功能充电电路

LS325A构成的便携式多功能充电电路
提问者:ioqwiqi 地点:- 浏览次数:8821 提问时间:11-16 19:54
我有更好的答案
提 交
1条回答
zsyat 11-19 11:17

  本电路为多功能镍镉电池充电器,可用于便携式无线电通讯机专用镍镉电池的充电,同时还可以对标准5号镍镉电池2节或4节进行充电。充电时,当充电电池容量达到饱和状态,它能自动终止充电,防止电池的“过充”,并具有电池容量检测显示。

 

 

撰写答案
提 交
1 / 3
1 / 3
相关电源电路
无噪声的的功放电源电路
LG CF-25H84彩电开关电源电路
LG MC-8AA机心彩电开关电源电路
LG MC-022A机心彩电开关电源电路
LG MC-019A机心彩电开关电源电路
相关充电电路
长延时恒流充电电路
仙童高通2.0手机快速充电方案
LT1307构成的恒流充电电路图
由MIC5158构成的电池充电电路
镉溴蓄电池充电电路