0
问答首页 最新问题 热门问题 等待回答标签广场
我要提问

电源电路电子镇流器电路

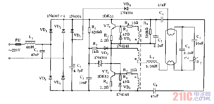
低成本高功率因数电子镇流器电路图

低成本高功率因数电子镇流器电路图
提问者:Arttronix 地点:- 浏览次数:2912 提问时间:03-09 10:25
我有更好的答案
提 交
1条回答
胡政鹏测试12 03-13 09:37

低成本高功率因数电子镇流器电路图.gif

撰写答案
提 交
1 / 3
1 / 3
相关电源电路
无噪声的的功放电源电路
LG CF-25H84彩电开关电源电路
LG MC-8AA机心彩电开关电源电路
LG MC-022A机心彩电开关电源电路
LG MC-019A机心彩电开关电源电路
相关电子镇流器电路
电子镇流器电路图
采用TDA4918驱动卤素灯的电子镇流器电路
串联式电子镇流器电路图
荧光灯电子镇流器电路之二
9W(5W)电子镇流器电路图