0
问答首页 最新问题 热门问题 等待回答标签广场
我要提问

电源电路升压电路

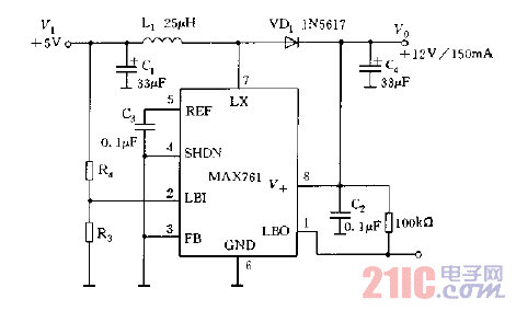
采用MAX761构成的升压电路图

采用MAX761构成的升压电路图
提问者:zzy0407 地点:- 浏览次数:8103 提问时间:08-03 10:23
我有更好的答案
提 交
1条回答
华捷艾米 08-09 01:34

采用MAX761构成的升压电路图.gif

撰写答案
提 交
1 / 3
1 / 3
相关电源电路
无噪声的的功放电源电路
LG CF-25H84彩电开关电源电路
LG MC-8AA机心彩电开关电源电路
LG MC-022A机心彩电开关电源电路
LG MC-019A机心彩电开关电源电路
相关升压电路
MAX660与S81350HG构成的升压电路图
CW7800构成的集成稳压器的升压电路之二
1.5V电池供电15V输出DCDC升压电路
LT1111的典型应用电路升压电路图
晶体二极管-电容三倍升压电路