0
问答首页 最新问题 热门问题 等待回答标签广场
我要提问

电源电路充电电路

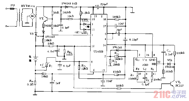
采用U2402B构成的带定时控制的充电电路图

采用U2402B构成的带定时控制的充电电路图
提问者:60user11 地点:- 浏览次数:7386 提问时间:06-22 02:24
我有更好的答案
提 交
1条回答
pqwiepowqie 06-25 04:43

采用U2402B构成的带定时控制的充电电路图.gif

撰写答案
提 交
1 / 3
1 / 3
相关电源电路
无噪声的的功放电源电路
LG CF-25H84彩电开关电源电路
LG MC-8AA机心彩电开关电源电路
LG MC-022A机心彩电开关电源电路
LG MC-019A机心彩电开关电源电路
相关充电电路
长延时恒流充电电路
仙童高通2.0手机快速充电方案
LT1307构成的恒流充电电路图
由MIC5158构成的电池充电电路
镉溴蓄电池充电电路