0
问答首页 最新问题 热门问题 等待回答标签广场
我要提问

电源电路逆变器电路逆变器电路

一款常见车载逆变器电路及原理

一款常见车载逆变器电路及原理
提问者:czxmla 地点:- 浏览次数:11282 提问时间:11-14 06:47
我有更好的答案
提 交
1条回答
wangbuhao 11-14 13:33

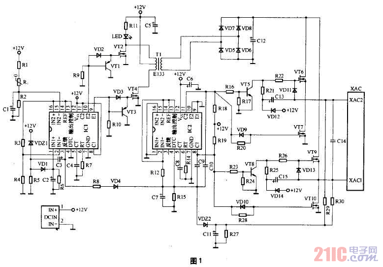
车载逆变器指标:


输入电压:DC  10V~14.5V;输出电压:AC  200V~220V±10%;输出频率:50Hz±5%;输出功率:70W~150W;转换效率:大于85%;逆变工作频率:30kHz~50kHz。


目前市场上销售量最大、最常见的车载逆变器的输出功率为70W-150W,逆变器电路中主要采用TL494或KA7500芯片为主的脉宽调制电路。一款最常见的车载逆变器电路原理图见图1。


一款常见车载逆变器电路及原理.gif

撰写答案
提 交
1 / 3
1 / 3
相关电源电路
无噪声的的功放电源电路
LG CF-25H84彩电开关电源电路
LG MC-8AA机心彩电开关电源电路
LG MC-022A机心彩电开关电源电路
LG MC-019A机心彩电开关电源电路
相关逆变器电路
简易逆变器电路图
简易逆变器电路图
300V1000W逆变器电路图
300V1000W逆变器电路图
采用ARM Cortex-M3单片机和DSP的逆变电源设计
相关逆变器电路
简易逆变器电路图
简易逆变器电路图
300V1000W逆变器电路图
300V1000W逆变器电路图
采用ARM Cortex-M3单片机和DSP的逆变电源设计