0
问答首页 最新问题 热门问题 等待回答标签广场
我要提问

电源电路逆变器电路逆变器电路

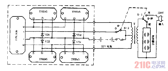
500W逆变器电路图

500W逆变器电路图
提问者:ywujwerwx 地点:- 浏览次数:2441 提问时间:09-28 18:13
我有更好的答案
提 交
1条回答
guokuikang 10-02 18:26

500W逆变器电路图.gif

撰写答案
提 交
1 / 3
1 / 3
相关电源电路
无噪声的的功放电源电路
LG CF-25H84彩电开关电源电路
LG MC-8AA机心彩电开关电源电路
LG MC-022A机心彩电开关电源电路
LG MC-019A机心彩电开关电源电路
相关逆变器电路
简易逆变器电路图
简易逆变器电路图
300V1000W逆变器电路图
300V1000W逆变器电路图
采用ARM Cortex-M3单片机和DSP的逆变电源设计
相关逆变器电路
简易逆变器电路图
简易逆变器电路图
300V1000W逆变器电路图
300V1000W逆变器电路图
采用ARM Cortex-M3单片机和DSP的逆变电源设计