0
问答首页 最新问题 热门问题 等待回答标签广场
我要提问

电子电路电风扇电路

电风扇自然模拟器电路

电风扇自然模拟器电路
提问者:twtetrwerw 地点:- 浏览次数:10162 提问时间:07-23 05:11
我有更好的答案
提 交
1条回答
BEONEWENHUI 07-27 11:46

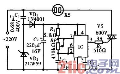
20.电风扇自然模拟器电路.gif


电路工作原理:集成电路lC( NE555)和R,、RP、C3等外

围元件构成无稳态多谐振荡器,从lC的3脚输出方波振荡信号,

经限流电阻R2加至双向晶闸管vs的控制端,从而控制接在插座

xs内的电风扇,使其根据振荡信号间歇工作

撰写答案
提 交
1 / 3
1 / 3
相关电子电路
TDA16846组成的彩电开关电源原理图
联想LX-PL4C2型彩色显示器开关电源电路
长虹CN-9机心彩电开关电源电路
索尼KV2184彩电开关电源电路
王牌TCL-3460D彩电开关电源电路
相关电风扇电路
电风扇简易无级调速电路图
电风扇模拟自然风电路图
电风扇电子调速器原理图及制作
电风扇光控调速开关
电风扇红外遥控电路(KD880/881)