0
问答首页 最新问题 热门问题 等待回答标签广场
我要提问

遥控电路红外遥控电路电风扇电路

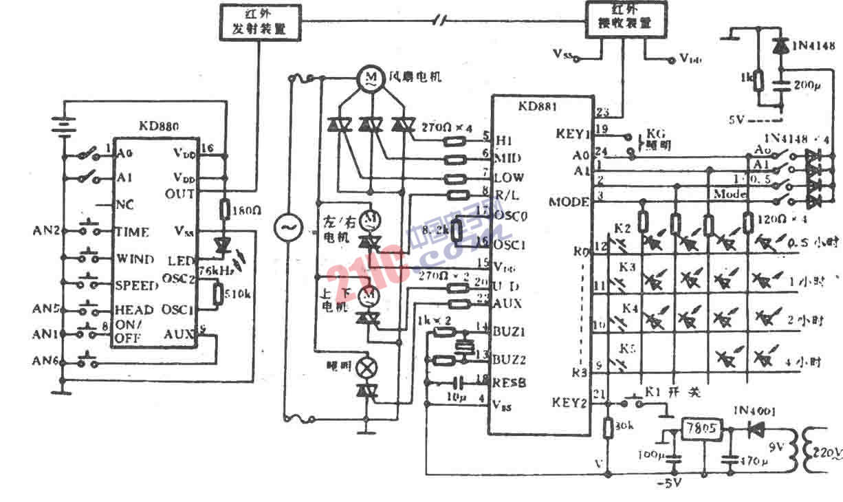
电风扇红外遥控电路(KD880/881)

电风扇红外遥控电路(KD880/881)
提问者:HenryRain 地点:- 浏览次数:10815 提问时间:03-30 22:16
我有更好的答案
提 交
1条回答
60user193 04-03 18:51

电风扇红外遥控电路(KD880/881)

 

撰写答案
提 交
1 / 3
1 / 3
相关遥控电路
遥控放大器电路图
遥控器编码式红外发射电路
遥控器编码式红外发射电路
遥控自动门电路a
具有60条指令的红外遥控接收器
相关红外遥控电路
具有60条指令的红外遥控接收器
红外遥控双功能插座电路图
使用PH302的红外遥控接收电路
红外灯遥控开关电路图
遮断式红外控制电路图
相关电风扇电路
电风扇简易无级调速电路图
电风扇模拟自然风电路图
电风扇电子调速器原理图及制作
电风扇光控调速开关
电风扇声控调速开关电路