0
问答首页 最新问题 热门问题 等待回答标签广场
我要提问

医疗产品电路红外电路传感器电路

红外传感器电路

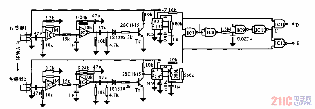
红外传感器电路

提问者:成都德利顺和科技有限公司 地点:- 浏览次数:2341 提问时间:09-07 15:22
我有更好的答案
提 交
1条回答
siuhdwqiuhd 09-09 18:45

红外传感器电路.gif

撰写答案
提 交
1 / 3
1 / 3
相关医疗产品电路
红外遥控双功能插座电路图
直流感应电疗机电路
热释电红外线传感器在人体探测器中的应用电路
微型红外接收模块PIC-12043S电路图
心率监测电路
相关红外电路
遥控器编码式红外发射电路
红外遥控双功能插座电路图
红外接收机电路图
红外接收机电路图
热释电红外线传感器在人体探测器中的应用电路
相关传感器电路
带二线串行接口智能温度传感器TCN75与89C51单片机的接口电路图
开关电源TVS保护电路图
触摸延时开关电源电路
GM3043型CMOS遥控红外发射器电路
电桥电路和补偿电路图