0
问答首页 最新问题 热门问题 等待回答标签广场
我要提问

电源电路手机电路手机充电器电路充电器电路

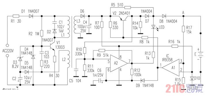
索尼爱立信手机充电器电路图

索尼爱立信手机充电器电路图
提问者:adltom 地点:- 浏览次数:5618 提问时间:03-03 18:45
我有更好的答案
提 交
1条回答
陈囝囝100 03-03 19:06

索尼爱立信手机充电器电路图.jpg

撰写答案
提 交
1 / 3
1 / 3
相关电源电路
无噪声的的功放电源电路
LG CF-25H84彩电开关电源电路
LG MC-8AA机心彩电开关电源电路
LG MC-022A机心彩电开关电源电路
LG MC-019A机心彩电开关电源电路
相关手机电路
智能手机自动充电与断电电路设计
仙童高通2.0手机快速充电方案
智能手机充电器模块电路图
大联大诠鼎集团力推TOSHIBA相关于智能手机的完整解决方案
天时达HW838(4)型无绳手机微电脑控制电路图
相关手机充电器电路
手机万能充电器电路图
手机电池充电器电路图
智能手机自动充电与断电电路设计
仙童高通2.0手机快速充电方案
智能手机充电器模块电路图
相关充电器电路
手机万能充电器电路图
手机电池充电器电路图
对讲机快速充电器电路图
电动自行车充电器的原理与检修
智能手机充电器模块电路图