0
问答首页 最新问题 热门问题 等待回答标签广场
我要提问

通信电路手机电路

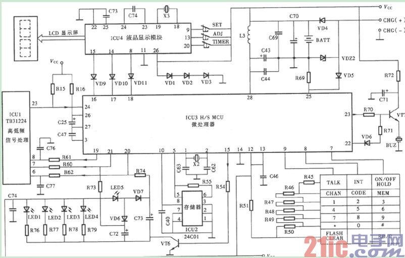
天时达HW838(4)型无绳手机微电脑控制电路图

天时达HW838(4)型无绳手机微电脑控制电路图
提问者:色色隐隐 地点:- 浏览次数:10784 提问时间:03-26 12:52
我有更好的答案
提 交
1条回答
比吥匕卟 04-02 07:47

天时达HW838(4)型无绳手机微电脑控制电路图如下所示:


天时达HW838(4)型无绳手机微电脑控制电路图.jpg

撰写答案
提 交
1 / 3
1 / 3
相关通信电路
卫星电视接收机高频解调及电源电路
对讲机快速充电器电路图
互补电压开关型D类功放电路
VSWR电桥的144MHz信号电路
9018三极管组成的无线话筒电路图
相关手机电路
智能手机自动充电与断电电路设计
仙童高通2.0手机快速充电方案
智能手机充电器模块电路图
大联大诠鼎集团力推TOSHIBA相关于智能手机的完整解决方案
手机信号指示器电路原理图