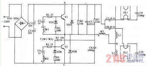
电路工作原理
该荧光灯电子镇流器电路由整流滤波电路、高频振荡电路和输出电路组成。

电路中,整流滤波电路由整流二极管VD1一V D4和滤波电容器C1、C2组成;高频振荡器由晶体管vi、V2、电阻器R1一R7、电容器C3、C4、C6、二极管VD5一V D8和高频变压器T(W1一W3绕在同一磁环上,组成一个高频变压器)组成;输出电路由扼流圈L1、L2和电容器C'L-C10组成。
通电后,交流220V电压经VD1一V D4整流和Cl、C2滤波后,在A、C两端产生约280V的直流电压,作为高频振荡器的工作电源。晶体管V1、V2在电容器C3、C4、C6一C10和T的W1一W3绕组的作用下,很快进人交替导通与截止的高频振荡状态,在A、B两点间产生一个近似正弦波形的高频交变电压,此电压经L1、LZ和C7一C10加至荧光灯管ELI和EL2的灯丝上,使ELI和EL2启辉点亮。ELI和EL2点亮后,其灯丝内阻急剧下降,C9和C10两端的高启辉电压下降为正常值,维持荧光灯管的正常发光。