0
问答首页 最新问题 热门问题 等待回答标签广场
我要提问

音频放大电路传感器电路温度传感器电路

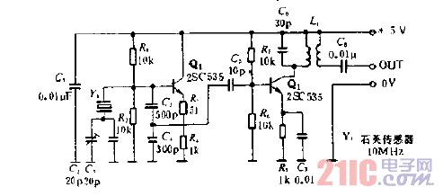
石英温度传感器电路图

石英温度传感器电路图

提问者:lxz0404 地点:- 浏览次数:2325 提问时间:12-13 17:45
我有更好的答案
提 交
1条回答
IseekerTonyZhu 12-16 16:34

石英温度传感器电路图.gifonload=620)this.width=620;" onclick="window.open(this.src)" style="cursor:pointer" alt="点击看大图"" />

撰写答案
提 交
1 / 3
1 / 3
相关音频放大电路
XPT4990音频放大器应用电路
集成音频放大器电路图
具有±15dB高、低音控制的音频放大器
小功率音频放大器MC34119
lm386音频放大电路
相关传感器电路
带二线串行接口智能温度传感器TCN75与89C51单片机的接口电路图
开关电源TVS保护电路图
触摸延时开关电源电路
GM3043型CMOS遥控红外发射器电路
电桥电路和补偿电路图
相关温度传感器电路
无温度传感器,直流供电的线性充电器电路图
温度传感器放大电路
温度传感器用于晶体补偿电路
正温度传感器与系数电阻电路图
有隔离放大的温度传感器电路图