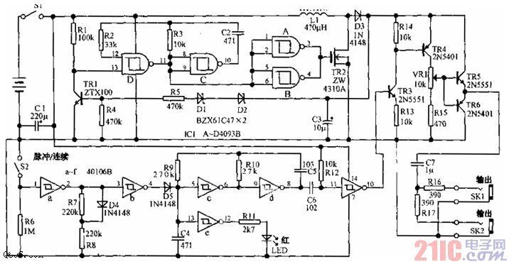
IC1、TR1、TR2、L1等组成输出80V的开关电源。其中IC1的一部分组成65kHz的方波振荡器经缓冲后驱动N沟道MOSFET-TR2,使TR2工作在开关状态。TR2每次导通的8us期间,流过L1的电流最大可达150mA,此时D3截止,L1以磁场的形式储存能量。当TR2截止时,L1产生的同方向感生电流经D3向C3充电,使C3电压升高。当它的电压升高到80V时,齐纳二极管D1、D2导通。于是TR1导通,将IC1的13脚为低电平,振荡器即停振并将输出电压限制在80V.IC2的六只反相器极其周围元件组成脉冲发生器,使开关电源产生的80V电压按照选定的脉冲方式输出到外接的电极。
注意:使用电子心脏起搏器的患者严禁使用本镇痛器。
