0
问答首页 最新问题 热门问题 等待回答标签广场
我要提问

汽车电路充电电路

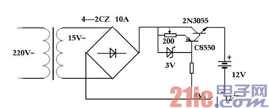
经典汽车电瓶充电电路图

经典汽车电瓶充电电路图
提问者:zong2443 地点:- 浏览次数:3953 提问时间:04-02 05:03
我有更好的答案
提 交
1条回答
ljfdllwq 04-10 12:53

 电路原理:电路经过变压、桥式整流与调理后对电瓶进行充电,变压器能调节充电电流简单,能给12v 100AH左右的电瓶充电,按10小时充电率需10A的充电电流。需要用150VA的变压器, 次级交流电压为15V,限制电流为10A。有用相应变压器变电到交流10V,用全桥整流加上大电容变电稳定14.14V的。


经典汽车电瓶充电电路图

撰写答案
提 交
1 / 3
1 / 3
相关汽车电路
红外发射电路
点火定时灯
汽车转弯告知器
近程探测器电路
延时动作风挡刮水器控制电路
相关充电电路
长延时恒流充电电路
仙童高通2.0手机快速充电方案
LT1307构成的恒流充电电路图
由MIC5158构成的电池充电电路
镉溴蓄电池充电电路