0
问答首页 最新问题 热门问题 等待回答标签广场
我要提问

电源电路手机电路手机充电器电路充电器电路

手机充电器电路之一

手机充电器电路之一
提问者:红粉小Q猪 地点:- 浏览次数:4759 提问时间:09-04 21:33
我有更好的答案
提 交
1条回答
Winnie62 09-05 08:05

13.手机充电器电路之一.gif


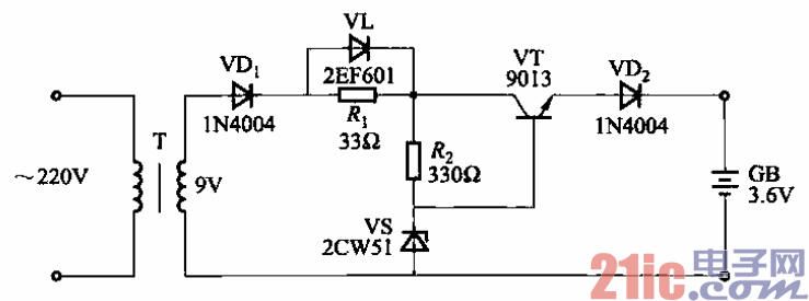
它采用简单的单管串联型晶体管稳压电源。用发光二极管VL作

充电指示(充电时VL亮,充电完毕VL熄灭)。


 

撰写答案
提 交
1 / 3
1 / 3
相关电源电路
无噪声的的功放电源电路
LG CF-25H84彩电开关电源电路
LG MC-8AA机心彩电开关电源电路
LG MC-022A机心彩电开关电源电路
LG MC-019A机心彩电开关电源电路
相关手机电路
智能手机自动充电与断电电路设计
仙童高通2.0手机快速充电方案
智能手机充电器模块电路图
大联大诠鼎集团力推TOSHIBA相关于智能手机的完整解决方案
天时达HW838(4)型无绳手机微电脑控制电路图
相关手机充电器电路
手机万能充电器电路图
手机电池充电器电路图
智能手机自动充电与断电电路设计
仙童高通2.0手机快速充电方案
智能手机充电器模块电路图
相关充电器电路
手机万能充电器电路图
手机电池充电器电路图
对讲机快速充电器电路图
电动自行车充电器的原理与检修
智能手机充电器模块电路图