
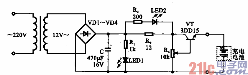
采用变压器降压方式的充电电路
采用变压器降压,然后再进行整流滤被形成低压直流的充电电路,如图所示。这种方式结构简
单.成本低。整流滤波电路的输出电压不够稳定,纹波较大。主要存在两方面的问题,第一,由于变压器
次级电压直接与电网电压有关,当电网电压波动时必然引起次级电压波动,进而使整流滤波电路的输出不
稳定:第二,由于整流滤波电路总存在内阻,当负载电流发生变化时,在内阻上的电压也发生变化,因而
使负载得到的电压(即输出电压)不稳定。为了提供更加稳定的直流电源,需要在整流滤波后面加上一个
稳压电路。