
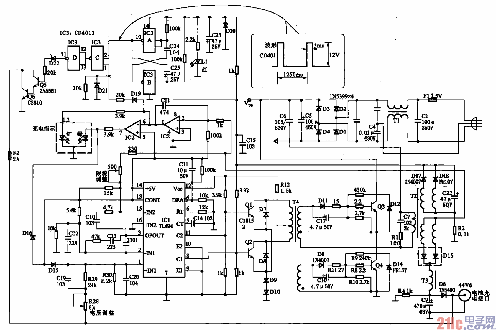
天能TN-1智能负脉冲充电电路
是天能TN-I智能负脉冲充电电路。这个充电器主要部分是典型的半桥式两段充电器,与图
2-75充电器电路的构成基本一样。这里主要介绍负脉冲充电电路的工作原理。这部分电路由放电开关、负
脉冲加载控制、脉冲振荡器三部分组成。
放电开关是三极管Q6。Q6导避,其集电极和发射极将电瓶短路,电瓶放电。Q6截止,电瓶恢复充
电。Q5和Q6是直接耦合,俗称达林顿管。Q6受加载负脉冲和振荡器联合控制。加载负脉冲控制由IC3
的C和D构成,D接成反相器(电路中,与非门两个输入并联看作一个非门),只有C的两个输入都为高
电平时,③脚为低电平,经D反相使Q6导通,给电瓶放电.C的②脚来自多谐振荡器的每秒1个(脉宽
3 ms)正脉冲,C的①脚来自电流检测电路IC2的①脚,恒流充电时①脚为高电乎。此时,负脉冲才起作用。
脉冲振荡器由IC3的A和B及C24、C25、两只100 k:C1电阻器构成典型的多谐波振荡器,其充放电
时间常数不同,高电平3 ms,低电平1250 ms。负脉冲充电,可提高充电接受能力,降低充电温度。上述
充电器在放电时,并没有断开充电电路。