0
问答首页 最新问题 热门问题 等待回答标签广场
我要提问

传感器电路电位计电路

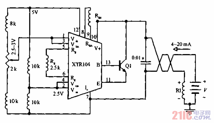
电位计式压力传感器双线传输电路

电位计式压力传感器双线传输电路
提问者:伊丹姿子 地点:- 浏览次数:4918 提问时间:11-02 06:56
我有更好的答案
提 交
1条回答
qwer34 11-09 05:56

电位计式压力传感器双线传输电路.gif

撰写答案
提 交
1 / 3
1 / 3
相关传感器电路
带二线串行接口智能温度传感器TCN75与89C51单片机的接口电路图
开关电源TVS保护电路图
触摸延时开关电源电路
GM3043型CMOS遥控红外发射器电路
电桥电路和补偿电路图
相关电位计电路
电位差计用的稳压电源电路
电位计传感电路
工作电压15%Vcc≤VXDH≤85%Vcc电位计传感器电路
电位差计用的稳压电源电路
电位计式压力传感器双线传输电路