0
问答首页 最新问题 热门问题 等待回答标签广场
我要提问

传感器电路耦合电路

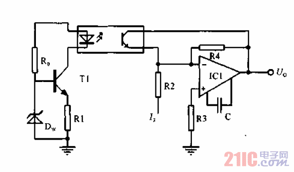
光纤流量传感器的光电耦合及放大电路

光纤流量传感器的光电耦合及放大电路
提问者:60user116 地点:- 浏览次数:6434 提问时间:01-15 17:21
我有更好的答案
提 交
1条回答
czxmla 01-18 06:19

光纤流量传感器的光电耦合及放大电路.gif

撰写答案
提 交
1 / 3
1 / 3
相关传感器电路
带二线串行接口智能温度传感器TCN75与89C51单片机的接口电路图
开关电源TVS保护电路图
触摸延时开关电源电路
GM3043型CMOS遥控红外发射器电路
电桥电路和补偿电路图
相关耦合电路
用变压器耦合的A类放大器
直接光耦合隔离放大电路图
直接耦合推挽功率放大电路图
用二极管耦合的甲乙类输出电路
采用反馈提高光电耦合器件线性度的电路图