0
问答首页 最新问题 热门问题 等待回答标签广场
我要提问

传感器电路探测器电路检测仪电路

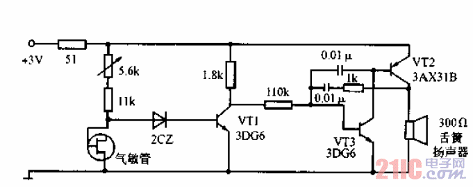
氢气探测仪电路

氢气探测仪电路
提问者:testd035 地点:- 浏览次数:2875 提问时间:09-06 06:28
我有更好的答案
提 交
1条回答
yywytwerw 09-10 15:38

氢气探测仪电路.gif

撰写答案
提 交
1 / 3
1 / 3
相关传感器电路
带二线串行接口智能温度传感器TCN75与89C51单片机的接口电路图
开关电源TVS保护电路图
触摸延时开关电源电路
GM3043型CMOS遥控红外发射器电路
电桥电路和补偿电路图
相关探测器电路
金属探测器电路图
探测金属的定位器电路图
近程探测器电路
红外探测器放大电路
电磁场探测器电路
相关检测仪电路
金属探测仪的工作原理
穴位探测仪电路
气象探测仪电路图
金属探测仪原理图
穴位探测仪