0
问答首页 最新问题 热门问题 等待回答标签广场
我要提问

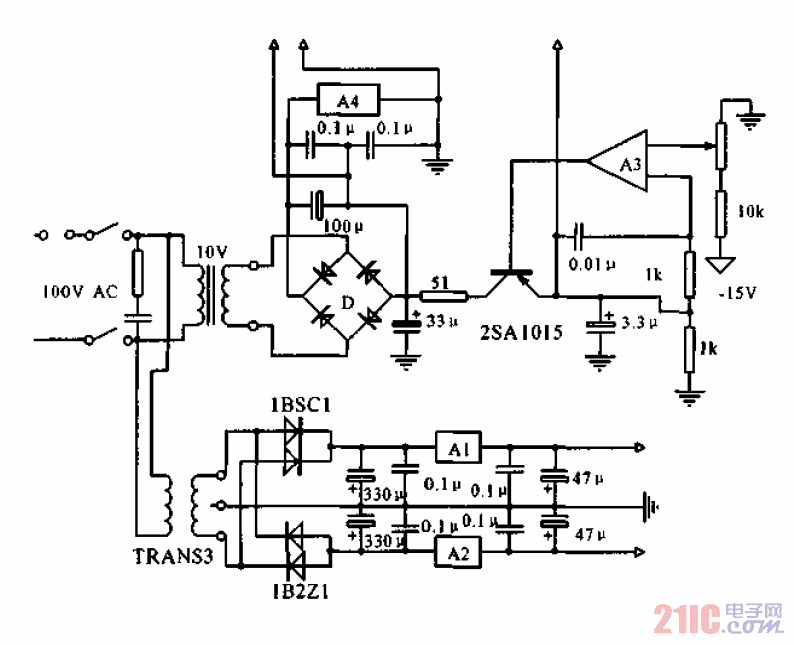
传感器电路电源

气体浓度检测电源电路

气体浓度检测电源电路
提问者:爱吃精灵的白萝卜 地点:- 浏览次数:3766 提问时间:03-24 06:31
我有更好的答案
提 交
1条回答
jfsuwef 03-25 01:12

气体浓度检测电源电路.gif

撰写答案
提 交
1 / 3
1 / 3
相关传感器电路
带二线串行接口智能温度传感器TCN75与89C51单片机的接口电路图
开关电源TVS保护电路图
触摸延时开关电源电路
GM3043型CMOS遥控红外发射器电路
电桥电路和补偿电路图
相关电源
TDA16846组成的彩电开关电源原理图
联想LX-PL4C2型彩色显示器开关电源电路
长虹CN-9机心彩电开关电源电路
索尼KV2184彩电开关电源电路
王牌TCL-3460D彩电开关电源电路