0
问答首页 最新问题 热门问题 等待回答标签广场
我要提问

电源电路充电电路

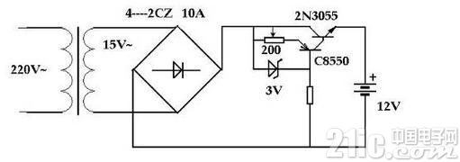
汽车电瓶充电电路图

汽车电瓶充电电路图
提问者:sdgsgsgs 地点:- 浏览次数:4359 提问时间:06-09 06:49
我有更好的答案
提 交
1条回答
fqweerw 06-18 19:55

电路原理:电路经过变压、桥式整流与调理后对电瓶进行充电,变压器能调节充电电流简单,能给12v 100AH左右的电瓶充电,按10小时充电率需10A的充电电流。需要用150VA的变压器,次级交流电压为15V,限制电流为10A。有用相应变压器变电到交流10V,用全桥整流加上大电容变电稳定14.14V的。


汽车电瓶充电电路图
撰写答案
提 交
1 / 3
1 / 3
相关电源电路
无噪声的的功放电源电路
LG CF-25H84彩电开关电源电路
LG MC-8AA机心彩电开关电源电路
LG MC-022A机心彩电开关电源电路
LG MC-019A机心彩电开关电源电路
相关充电电路
长延时恒流充电电路
仙童高通2.0手机快速充电方案
LT1307构成的恒流充电电路图
由MIC5158构成的电池充电电路
镉溴蓄电池充电电路