0
问答首页 最新问题 热门问题 等待回答标签广场
我要提问

传感器电路振荡电路触发器电路

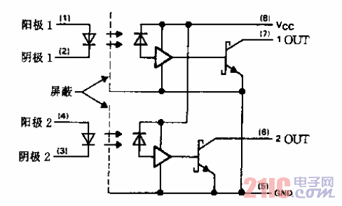
电路逻辑图(正逻辑)

电路逻辑图(正逻辑)
提问者:60user75 地点:- 浏览次数:7179 提问时间:10-22 15:45
我有更好的答案
提 交
1条回答
ajcfmxd 10-31 12:13

电路逻辑图(正逻辑).gif

撰写答案
提 交
1 / 3
1 / 3
相关传感器电路
带二线串行接口智能温度传感器TCN75与89C51单片机的接口电路图
开关电源TVS保护电路图
触摸延时开关电源电路
GM3043型CMOS遥控红外发射器电路
电桥电路和补偿电路图
相关振荡电路
像电路图
降压电路图
振荡电路的起振与稳幅过程电路
由电路比率决定增益的直流反相放大器
电路图天天读(27):采用指纹识别的防盗遥控器电路设计
相关触发器电路
D触发器组成互锁式电子开关电路图
降压电路图
D触发器型单脉冲发生器
电路图符号大全
光触发器电路图