0
问答首页 最新问题 热门问题 等待回答标签广场
我要提问

光电电路充电电路

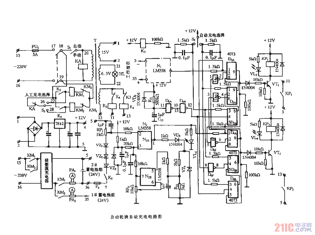
自动轮换自动充电电路图

自动轮换自动充电电路图
提问者:fojewfdoewif 地点:- 浏览次数:8804 提问时间:06-28 01:05
我有更好的答案
提 交
1条回答
南山铝业13 07-01 00:35

自动轮换自动充电电路图.gif

撰写答案
提 交
1 / 3
1 / 3
相关光电电路
具有音调控制的单片机立体声前置放大器
用于单片机与电子装置中的开关电源
TA7654P/TA7655P构成5点一条LED显示驱动电路图
用直流电点燃日光灯线路
7段LED显示器的分时驱动电路图
相关充电电路
长延时恒流充电电路
仙童高通2.0手机快速充电方案
LT1307构成的恒流充电电路图
由MIC5158构成的电池充电电路
镉溴蓄电池充电电路