
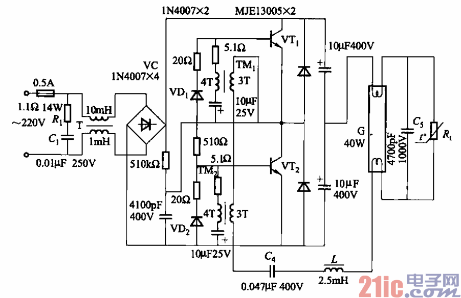
(10)荧光灯电子镇流器电路之十
电路如图2-20所示。该电路采用高频自激触发形式,由电容C4、C5和负温度系数热敏
电阻PTC等组成“软启动”电路,让灯丝经过适当的加热再发射电子,以延长灯管的寿命。
PTC热敏电阻突变为高阻僮时,灯管才能启动。
电路采用电子镇流器专用器件MJE13005管(图中VTi、VT2),其集电极耐压≥
400V,击穿性能陡直,饱和压降小,开关速度快,p= 20~30。
电阻Ri、电容Cl和电感L组成抗干扰电路,以抑制镇流器及灯管对外的干扰,并能延
长镇流器及灯管的寿命。