0
问答首页 最新问题 热门问题 等待回答标签广场
我要提问

光电电路电子镇流器电路

荧光灯电子镇流器电路之八

荧光灯电子镇流器电路之八
提问者:tyewybvwe 地点:- 浏览次数:10639 提问时间:06-04 02:35
我有更好的答案
提 交
1条回答
HengDu 06-07 02:10

18.荧光灯电子镇流器电路之八.gif


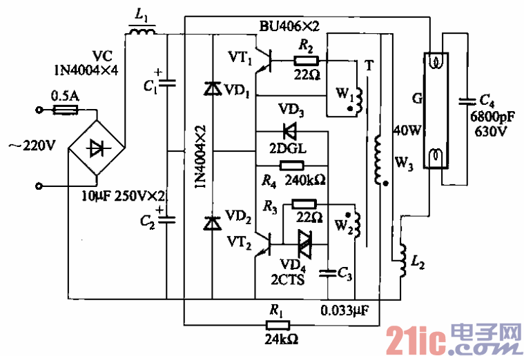
(8)荧光灯电子镇流器电路之八

    电路如图2-18所示。该电路较图2-14相比有所改进,整流滤波后的电压经电容cl和

C2分压后,分别加到三极管VTi和VTz上,所以两管的实际承受电压比前者减小了一半。

同时还并接了二极管VDi、VDz作反向过压保护,使开关功率管VT!、VTz的运行更为安

全可靠。

撰写答案
提 交
1 / 3
1 / 3
相关光电电路
具有音调控制的单片机立体声前置放大器
用于单片机与电子装置中的开关电源
TA7654P/TA7655P构成5点一条LED显示驱动电路图
用直流电点燃日光灯线路
7段LED显示器的分时驱动电路图
相关电子镇流器电路
电子镇流器电路图
采用TDA4918驱动卤素灯的电子镇流器电路
串联式电子镇流器电路图
荧光灯电子镇流器电路之二
9W(5W)电子镇流器电路图