0
问答首页 最新问题 热门问题 等待回答标签广场
我要提问

光电电路电子镇流器电路

荧光灯电子镇流器电路之三

荧光灯电子镇流器电路之三
提问者:60user159 地点:- 浏览次数:7909 提问时间:01-09 13:34
我有更好的答案
提 交
1条回答
zhi168 01-10 07:36

13.荧光灯电子镇流器电路之三.gif


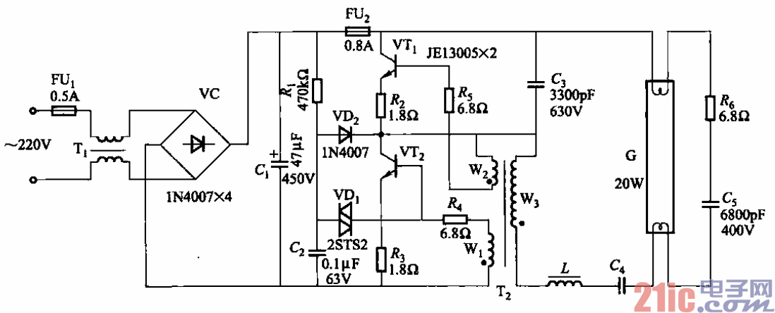
(3)荧光灯电子镇流器电路之三

    电路如图2-13所示。电感L、电容Cs为输出端的串联谐振回路,由它们决定振荡频率

(20~30kHz); C3为抗干扰电容;C4为隔直电容;电阻Ri、电容C2和双向触发二极管

VDi组成启动用锯齿渡发生器;电源滤波变压器Tz是射频抑制元件,用以消除电子镇流器

对无线电设备的干扰及对电网的污染;在c5回路串入电阻R6是为了消除瞬间高压对灯丝

的冲击,延长灯管的使用寿命。

撰写答案
提 交
1 / 3
1 / 3
相关光电电路
具有音调控制的单片机立体声前置放大器
用于单片机与电子装置中的开关电源
TA7654P/TA7655P构成5点一条LED显示驱动电路图
用直流电点燃日光灯线路
7段LED显示器的分时驱动电路图
相关电子镇流器电路
电子镇流器电路图
采用TDA4918驱动卤素灯的电子镇流器电路
串联式电子镇流器电路图
荧光灯电子镇流器电路之二
9W(5W)电子镇流器电路图