0
问答首页 最新问题 热门问题 等待回答标签广场
我要提问

光电电路电子镇流器电路

荧光灯电子镇流器电路之九

荧光灯电子镇流器电路之九
提问者:学生物的程序猿 地点:- 浏览次数:4706 提问时间:07-18 11:49
我有更好的答案
提 交
1条回答
gxs123 07-22 21:24

19.荧光灯电子镇流器电路之九.gif


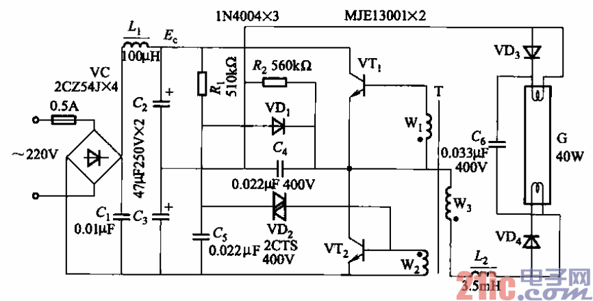
(9)荧光灯电子镇流器电路之九

    电路如图2-19所示。灯电路工作频率主要由L2、C6决定。调整电感的电感量,使灯电

流为额定值。二极管VD3、VD4使灯丝产生双热点,以改善灯的工作状态。有时此两管也

可省去不用;电阻R2和电容C4组成输出相位的校正网络,使负载回路中的电流与输出端

产生的基频电压同相,以提高逆变器的效率。

撰写答案
提 交
1 / 3
1 / 3
相关光电电路
具有音调控制的单片机立体声前置放大器
用于单片机与电子装置中的开关电源
TA7654P/TA7655P构成5点一条LED显示驱动电路图
用直流电点燃日光灯线路
7段LED显示器的分时驱动电路图
相关电子镇流器电路
电子镇流器电路图
采用TDA4918驱动卤素灯的电子镇流器电路
串联式电子镇流器电路图
荧光灯电子镇流器电路之二
9W(5W)电子镇流器电路图