0
问答首页 最新问题 热门问题 等待回答标签广场
我要提问

光电电路电子镇流器电路

荧光灯电子镇流器电路之十二

荧光灯电子镇流器电路之十二
提问者:sdfmsdm 地点:- 浏览次数:7827 提问时间:01-20 23:40
我有更好的答案
提 交
1条回答
60user133 01-22 17:03

22.荧光灯电子镇流器电路之十二.gif


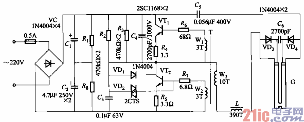
(12)荧光灯电子镇流器电路之十二

    电路如图2-22所示。该电子镇流器用于9~11W的H形荧光灯。镇流器本身功耗

<0. 5w,具有无频闪、无噪声、低压(最低为85V)、一次快速启辉、亮度稳定、功率因数

高(0.97)等特点。

    开关功率三极管VTi、VTz应配对,要求BV。。。≥350V,BV。。。≤2V;双向触发二极管

的触发电压约为32V,要求两端特性一致;电容C3~C5的耐压值应大于250V。

撰写答案
提 交
1 / 3
1 / 3
相关光电电路
具有音调控制的单片机立体声前置放大器
用于单片机与电子装置中的开关电源
TA7654P/TA7655P构成5点一条LED显示驱动电路图
用直流电点燃日光灯线路
7段LED显示器的分时驱动电路图
相关电子镇流器电路
电子镇流器电路图
采用TDA4918驱动卤素灯的电子镇流器电路
串联式电子镇流器电路图
荧光灯电子镇流器电路之二
9W(5W)电子镇流器电路图