购物车0制造商:ON
FAN3226-29 系列双通道 2A 栅极驱动器设计用于通过在短开关间隔内提供高峰值电流脉冲,驱动低端开关应用驱动中的 N 沟道增强 模式 MOSFET。驱动器可提供 TTL 或 CMOS 输入阈值。内部电路可使输出保持低电平状态,直到电源电压进入工作范围,从而提供 欠压闭锁功能。此外,此类驱动器在 A 和 B 沟道之间提供了匹配的内部传播延迟,适用于要求具有严格计时的双门驱动应用,如同步 整流器。这样可并联两个驱动器,从而有效地使驱动单个 MOSFET 的电流能力增加一倍。 FAN322X 驱动器内置用于最终输出级的 MillerDrive™ 。这一双极性器件和 MOSFET 的组合可在 MOSFET 导通/关断过程的米勒平台 效应期间提供高电流,以最大限度地减少开关损耗,同时提供轨到轨电压摆幅和反向电流能力。 FAN3226 配有两个反相驱动器,而 FAN3227 配有两个同相驱动器。每个器件都具有双独立使能引脚,而且如果未连接的话,默认为 “开启”。在 FAN3228 和 FAN3229 中,各通道具有极性相反的双通道输入,允许通过使用第二输入的可选使能功能配置为同相或反相 。如果一个或两个输入端均未连接,则内部电阻会偏置输入端,确保将输出端拉至低电平,以保持功率 MOSFET 关断。
应用:
AC-DC商用电源-服务器和工作站
业界标准引脚排列
4.5 到 18V工作范围
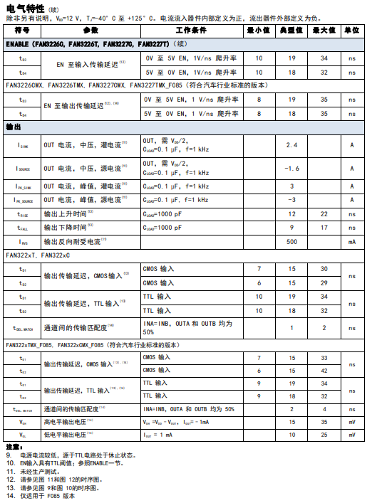
3A峰值灌电流/源电流,V
= 12V
2.4 A 灌电流/1.6 A 源电流,V
= 6 V
可选择 TTL 或 CMOS 输入阈值
双独立驱动器的四个版本:
双通道反相+使能(FAN3226)
双通道同相 + 使能(FAN3227)
两种引脚排列配置的双通道输入:
■ 兼容FAN3225x (FAN3228)
■ 兼容TPS2814D (FAN3229)
无输入时内部电阻关闭驱动器
MillerDrive™ 技术
1nF负载时具有12ns/9ns(典型值)的上升/下降时间
典型传播延迟(低于 20 ns)在 1 ns 内与其它沟道匹配
并联使用沟道可使电流能力增加一倍
额定环境温度为-40℃到+125℃
8 引脚 3x3 毫米 MLP 或 8 引脚 SOIC封装




FAN3229C电路图

FAN3229C 引脚图

FAN3229C 封装图

FAN3229C 封装图
| 型号 | 制造商 | 描述 | 购买 |
|---|---|---|---|
| FAN3229CMX | - | - | 立即购买 |
| FAN3229CMPX | - | - | 立即购买 |
rk3229芯片参数介绍 RK3229芯片是一款针对智能家居、电视盒子、电视棒、智能投影等智能终端设备的解决方案。这款芯片具有成本低、功耗少、运行流畅等优点,深受市场欢迎。 首先,RK3229芯片
本实验使用简单的双四拍工作模式即可,这也是FAN8200比较方便的工作方式。只要将CE1和CE2分别置为高,然后IN1和IN2按照预定的脉冲输出,即01->11->10->00- >01这个循环构成一个方向旋转的输出脉冲,将此序列翻转,就是相反方向的...
高电压升压电源电路:交流220V转直流600V开关电源电路
飞兆半导体公司(Fairchild Semiconductor)的 FAN7340 和 FAN73402 单通道升压控制器(带集成式高电压调光 MOSFET)可帮助设计师在高功率照明应用(如适用于 3D 电视和显示器的 LED 背光)方面实现更高的
2017年全球的半导体产业都在快速的崛起,是近年来增长速度最快的一年。ADI 副总裁及大中华区董事总经理 Jerry Fan 在此与大家一起分享全球半导体产业的现状和趋势,帮助大家理解现在,洞察未来。
FAN4810的工作原理 FAN4810工作于前沿平均电流、电流连续(CCM)升电压输出工作模式,内部的三重安全检测技术可使电路免受由于某个电路元器件的损坏而使电路处于不
纯电动飞机仍处于初期阶段。但是混合动力飞机呢?他们或许比你想象的更接近呢。空中客车公司、劳斯莱斯和西门子公司正在与混合动力电动机样机E-Fan X合作,这将证明传统发动机和电动发动机的混合能够起作用。
电子节能灯对镇流器的基本要求是:电路尽可能简单,元件数量少,成本低,性能稳定,安全可靠,使用寿命长。本文以飞兆半导体推出的FAN7710V新型镇流器控制IC为例。
| FIN1101 | FGAF20N60SMD | FDMF6708N | FOD2711A |
| FGD3N60LSD | FXMAR2104 | FGA50N100BNTD2 | FFSP2065A |
| FDZ1905PZ | FPF2496 | FGH40T120SMDL4 | FAN3223T |
| FSA2457 | FIN1019 | FAN2503 | FSV340AF |
| FAN23SV06PAMPX | FSA8039A | FPF2102 | FAN23SV65AMPX |