购物车0制造商:ADI/AD
优势和特点
电源关闭时所有开关断开
如果发生过压,开启通道的模拟输出将箝位在电源电压范围内。
防闩锁结构
低导通电阻:270Ω(典型值)
快速开关时间接通时间:230 ns(最大值)断开时间:130 ns(最大值)
低功耗:3.3 mW(最大值)
故障和过压保护:-40 V至+55 V
先开后合式结构
TTL/CMOS兼容型输入
产品详情
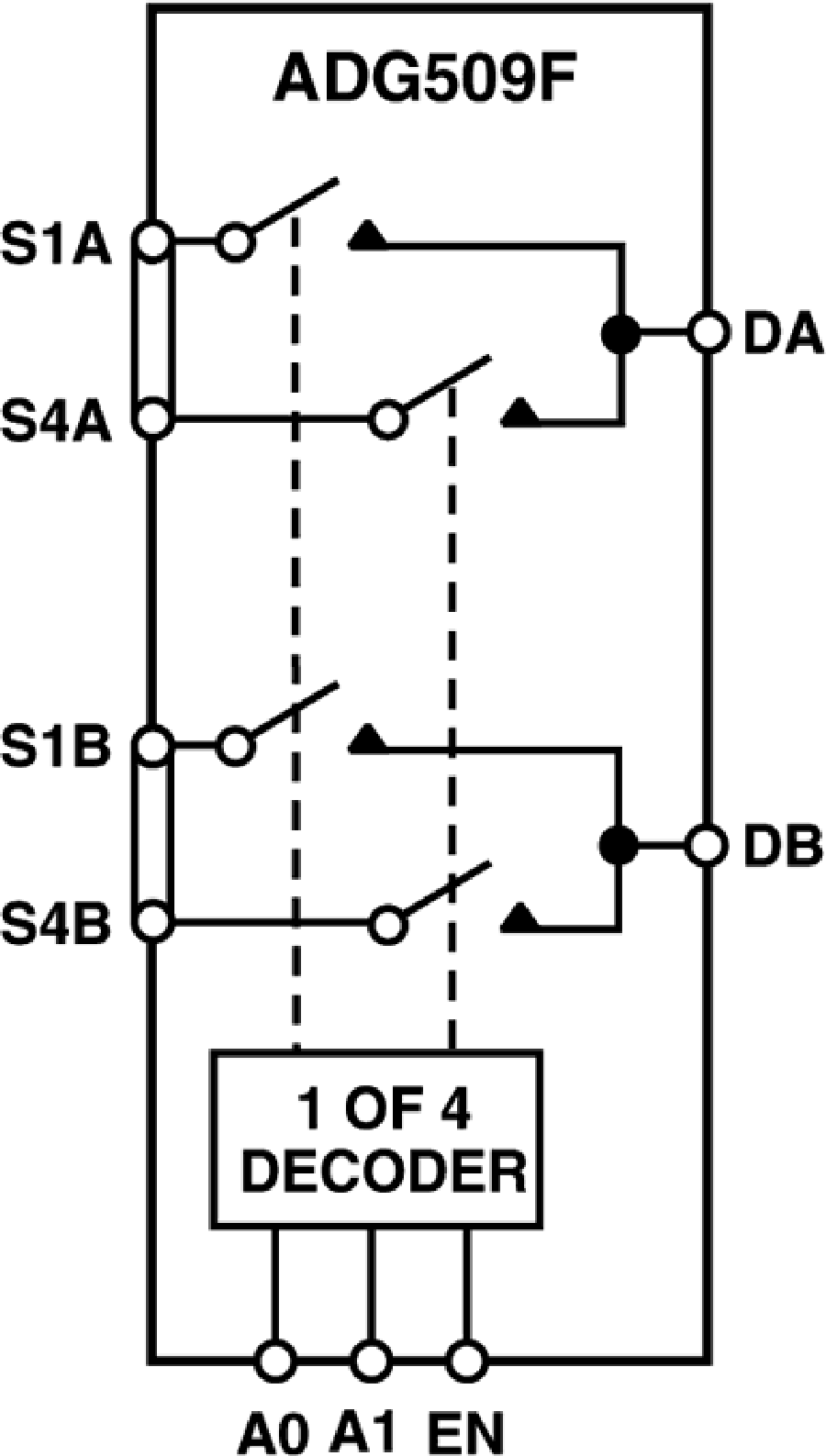
ADG508F和ADG509F均为CMOS模拟多路复用器;ADG508F内置8个单通道,ADG509F内置4个差分通道。这些多路复用器均可提供故障保护。这些器件采用串联n沟道、p沟道和n沟道MOSFET结构,发生过压或失电时,器件与信号源均会受到保护。该多路复用器可以承受-40 V至+55 V的连续过压输入。在断电故障条件下,多路复用器输入(或输出)表现为开路,泄漏电流只有几nA。这样,不但可以保护多路复用器及其所驱动的电路,而且可以保护驱动多路复用器的传感器或信号源。ADG508F根据3位二进制地址线A0、A1和A2所确定的地址,将8路输入之一切换至公共输出。ADG509F根据2位二进制地址线A0和A1所确定的地址,将4路差分输入之一切换至公共差分输出。各器件均提供EN输入,用来使能或禁用器件。禁用时,所有通道均关断。
产品特色故障保护功能。ADG508F/ADG509F可以承受-40 V至+55 V的连续过压输入。当由于电源关闭而导致故障发生,所有通道都将关闭,泄漏电流只有几nA。
存在故障时,开启通道饱和。
低导通电阻 RON
快速开关时间。
先开后合式开关。保证先开后合式开关动作,从而保护输入信号不受瞬时短路影响。
沟道隔离可防止闩锁。电介质沟道将P沟道与N沟道MOSFET分开,避免了闩锁现象。
应用
现有多路复用器应用(包括故障保护和无故障保护)
要求多路复用器功能的新设计

ADG509F 封装图

ADG509F 引脚图
| 型号 | 制造商 | 描述 | 购买 |
|---|---|---|---|
| ADG509FBRWZ | - | - | 立即购买 |
| ADG509FBRUZ-REEL7 | - | - | 立即购买 |
| ADG509FBRUZ | - | - | 立即购买 |
| ADG509FBRNZ-REEL7 | - | - | 立即购买 |
| ADG509FBRNZ | - | - | 立即购买 |
| ADG509FBRN | - | - | 立即购买 |
Analog Devices Inc. ADG7421F双路单刀单掷开关在源引脚上具有过压保护、断电保护和过压检测功能。没有电源时,开关保持关断状态,开关输入处于高阻态。通电时,Sx引脚上的模拟输入
对码是什么? SK509 是大功率工业级可对码远程无线四路开关量模块。有很多客户问过我司,对码是什么?在很多应用场合,需要多个发射端对应一个接收端或者多个接收端对应一个发射端来使用,而这个功能就可以
Analog Devices Inc. EV-ADG7421FEBZ评估板有助于评估ADG7421F双通道单刀单掷开关。ADG7421F双通道单刀单掷开关在源引脚上具有过压保护、断电保护和过压检测功能。
ADI全球领先的高性能信号处理解决方案供应商,最近推出ADG5206和ADG5207两款多路复用器,这两款器件能够在工作电压高达±22 V的高压工业应用中确保无闩锁现象。
Analog Devices, Inc.(ADI)推出两款防闩锁型开关 ADG5412 和 ADG5413,能够保证工作电压高达±20V的高压工业应用不会发生闩锁现象。ADG5412 和 ADG5413 针对易于发生闩锁现象的仪器仪表、
本文将教你用ADI公司的ADG884芯片来延长手机的电池寿命 降低蜂窝手机功耗并且延长其电池寿命是每一位手机设计工程师的目标。设计工程
ADG1438: ±15 V/+12 V/±5 V, Single 8 to 1 Multiplexer, Serially Controlled Matrix Switch The ADG1438 and ADG1439 are CMOS analog matrix switches with a serially controlled 3-wire interface. The ADG1438 is an 8-chan
ADG1439: ±15 V/+12 V/±5 V, Dual 4 to 1 Multiplexer, Serially Controlled Matrix Switch The ADG1438 and ADG1439 are CMOS analog matrix switches with a serially controlled 3-wire interface. The ADG1438 is an 8-channe
| ADG5248F | ADA4084-4 | ADUM5010 | AD783JRZ |
| ADIS16003 | ADAU1962 | ADN4661 | ADE7878A |
| ADN4664 | ADV3201 | ADA4627-1 | AT24C32D-XHM-T |
| ADN4692E | AD5165 | ADV3003 | AD5339 |
| AD8417 | ATSHA204A-XHDA-T | AD7657 | ADM1490E |