0
芯片公司:易能(easepower)
发布时间:2018-05-28
18W全兼容快充移动电源方案是由易能微电子科技有限公司提供的移动电源SOC芯片EDP3012来设计实现,该方案大体优势如下:
EDP3012芯片:
是为快充移动电源设计的一颗SOC芯片;芯片内部集成了 QC2.0/3.0 、PE1.0、BC1.2 DCP、APPLE 2.4A 快充协议;还集成了充放电管理模块,LED指示模块,电池过充、过放保护和高低温保护,输出过压、 欠压、短路保护、电流过流保护,输入过压/欠压保护及电流自适应功能等多重安全保护功能; 芯片支持双 口随机插入快放功能(插入任意 A口都可以实现快放,再插入另一个手机时降到 5V并同时放电);支持边 充边放:先给手机充电,手机充满后再给电池充电. 支持 AABC 接口形式。
售后有保障:华强芯城提供产品质量服务,易能微电子科技有限公司唯一代理商中电提供技术支持。
方案可靠性:可靠性高,该方案由易能微电子科技有限公司授权提供,本方案经历了4次的优化修改最终成形;该方案主芯片也是由易能授权提供,易能的可重构电源IC具有完全的自主知识产权,目前已经取得知识产权11项,实用新型专利7项;集成电路布图设计2项;发明专利1项;计算机软件著作权受理1项,荣获了2014年度EET最佳电源芯片奖,2015年度EET、EDN、ESM最佳电源管理IC奖,2015年工信部“中国芯”最具潜质产品奖,公司还荣获第四届中国科技创新创业大赛信息行业第一名的荣誉称号。
bom物料清单:

◆ 快充移动电源
◆ 快充车充
◆ 智能排插
EDP3012 QC/PE 双向快充移动电源方案
用一颗芯片完成了 DC-DC 升降压和快充协议, 方案集成度高,外围原件少,热效率非常优秀,18W 时最低效率超过 90%.元件温度低于 70℃。 支持 BC1.2 DCP, QC2.0/3.0,PE1.0, APPLE 2.4A 输入输出双向快充协议. 测试了市场上几乎所有相关协议的快充手机,兼容性几乎做到 100%. 具有完善的电池充放电管理,独立的锂电保护电路,支持过压/欠压,过流,反向电流,短路, 过温保护功能.安全性高,可靠性好,生产简单,是一款高性价比的快充移动电源方案.
✔ 支持 BC1.2 DCP, QC2.0, QC3.0,PE1.0, APPLE 2.4A 快充协议
✔ AABC 接口
✔ 额定输入输出功率 18W
✔ 18W 最低充电效率高于 90%
✔ C 口单向只做充电
✔ B 口和 C 口先插入的进行充电,后插入的 无效
✔ 插入任意一个 A 口输出都支持快充, 两个 A 口同时插入手机输出电压降到 5V
✔ 支持边充边放功能:先给手机充电,充满后再给电池充电.
✔ 输入电流自适应
✔ 输出电压自适应
✔ NTC 检测
✔电量等级 4 个 LED 指示, 独立的快充指 示 LED
✔ 电芯电压 4.2V, 4.3V,4.35V,4.4V 可配置.
✔ 4 个等级电量电压点可配置
✔ 过流, 反向电流,过压/欠压,短路,高低 温保护
Q&A
Q1:产品不支持手机快充?
A1: 手机不兼容快充可能是因为没有购买到合适的充电线,若确实不兼容可以反馈给我们。
Q2:输入输出接口外壳是否可以接GND.
A2:不可以.因为某些接口连接线负极是与外壳相连的,而我们的采样电阻要接在GND与接口负极中间若两者相连则相当于采样电阻短路了。

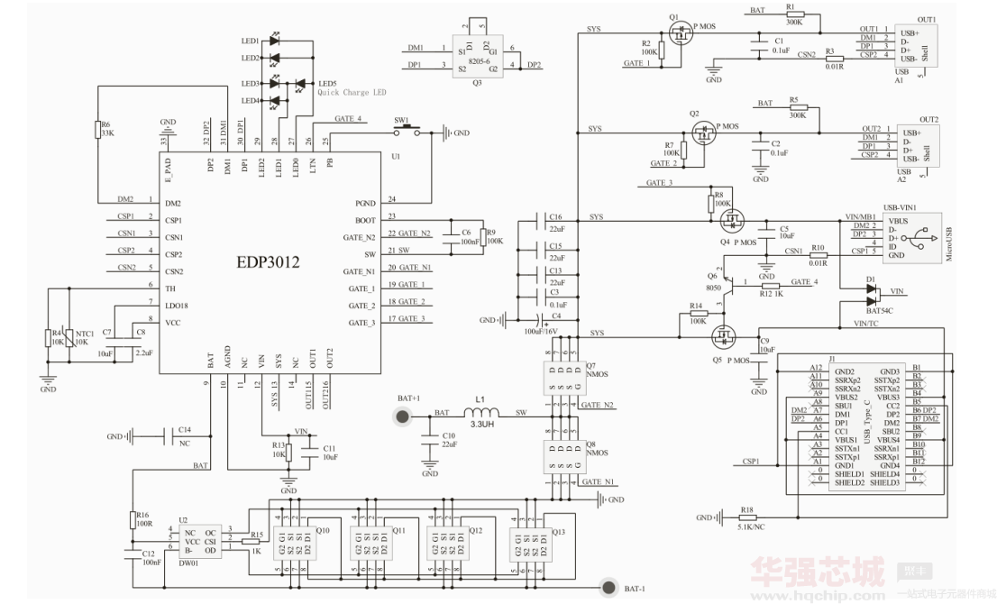
电路图:

PCB 设计参考:
1.IC 下面需敷铜散热(IC 衬底要连接到 PGND),散热面积尽量大,衬底焊盘打通孔到PCB 底层,并适当露铜皮增强散热。
2.LDO18 脚的 10uF 电容要靠近芯片管脚; AGND 用单点接连的方式回到 PGND。
3.采样电阻 CSP, CSN 端 Layout 应遵循如下规则:
a) CSP,CSN 走线要尽量避开干扰源器件比如电感,环路 MOS, Vout 等;
b) CSP, CSN 走线尽量在同一层,减少打孔的情况;
c) CSP, CSN 两条线都必须靠近采样电阻,从采样电阻两端平行走线接入芯片且尽量靠近芯片; 采样电阻到芯片端之间的连线不得过电流. 同样原理 CSN 也是不可以直接和 PGND 相连。


4.大电流通路(升降压环路部分电路: BAT– 电感 – MOS-- VOUT): 尽量走在同一层,而且尽量粗短,同时地的面积也尽量增大且要完整. 这样可以增加散热,减小纹波并降低EMC 干扰.
5. USB口外壳不可以直接接GND. 因为某些USB线负极是与外壳相连的,而采样电阻是需要接在接口负极与 GND 中间,若两者相连则相当于采样电阻短路了。
6.为保证散热,EMC等性能最佳,推荐使用四层板。
| 标准板规格书: | EDP3012 QC, PE双向快充移动电源方案_v1.12_20171226.pdf |
| IC规格书: | EDP3012 DATASHEET_V1.6.pdf |
| BOM List: | 3012_010_001 EDP3012(AABC).xls |
| 参考LAYOUT Gerber: | PCB设计注意事项_v1.00_20171225.pdf |
| 电路图: | 3012_010_001 EDP3012(AABC).pdf |
18W双向快充移动电源方案兼容性







方案咨询
热门方案
关键词: 华芯微特SWM201MCUBLDC无刷电机落地扇方案
关键词: BLDC马达控制无刷电机风筒吹风机
关键词: BLDC马达控制无刷电机吸尘器
关键词: BLDC马达控制无刷电机电动工具电钻
关键词: 中微,CMS32M5526,空净风机,BLDC,电机控制