本设计从低成本的角度,通过简单的数字电路、机械传动机构在已有的弹子锁上稍加改装。实现了遥控开锁的功能,且遥控编码的安全性好,通过程序解码可使安全性得到进一步的提高,同时该装置保留了钥匙开锁的功能,可在停电等特殊情况下使用。
机械传动设计
目前市场上销售的弹子锁的原理基本相同。都是通过锁芯的旋转,施加适当扭矩通过机械传动装置进行门闩开启、关闭。本装置在三保险双舌弹珠门锁上改装,待改装的门锁主要由锁体、斜舌、斜舌连杆、斜舌连动弹簧、方舌、方舌联片、方舌系统弹簧片方框、弹簧片、方舌系统支柱、外钥匙连动片轴、内钥匙转头组成。
该改装主要是内钥匙转头替换为电机驱动。将内钥匙转头卸下,可以看到有一个Ω形状的小孑L,利用现成的小孑L将电机轴伸入锁体,再将原内钥匙转头上的空心凸轮焊接在电机轴上。这样减少了不必要的加工,也节约了成本,同时保证了门外钥匙开锁和内外遥控开锁的双重功能。其他模块封装后可通过螺丝安装在门板上。
控制系统的组成及原理
本系统可分为控制部分和动作执行部分。其中控制系统部分包括:控制器模块、遥控模块、电源模块。动作执行部分包括电机驱动模块和机械传动模块,总共有6个模块。系统的总体框图如下图所示。
控制系统的三个模块整合在一块布线板上,封装后固定在门板上,并通过导线控制步进电机的运转状态来实现开锁上锁功能。

1.控制器模块
本系统采用Atmel公司的AT89S52单片机。
AT89S52是一种低功耗、高性能CMOS8位微控制器,具有8K在系统可编程Flash存储器。使用Atmel公司高密度非易失性存储器技术制造。与工业80C51产品指令和引脚完全兼容。片上Flash允许程序存储器在系统可编程,亦适于常规编程器。在单芯片上,拥有灵巧的8位CPLJ和在系统可编程Flash,使得AT89S52为众多嵌入式控制应用系统提供高灵活、超有效的解决方案。本设计采用24M晶振,单片机的I/O口P1口分别与L298N的相应接口想连。P3.0、P3.1与遥控模块相连,控制开锁电机的正反转。

2.遥控模块
目前。遥控技术有无线电、红外线、微波等多种方式,而且可供选择的模块也有很多种。考虑到应用环境和价格等因素,本系统采用无线遥控技术。发射模块(F05)和接收模块(J05C)是其中比较便宜的一种,它们具有传输距离较远、可穿透物体传输、可靠性高等特点,特别适合于低成本的无线通讯设备使用。
(1)发射电路
发射模块F05采用声表谐振器稳频,SMT树脂封装,频率一致性较好,可免调试,具有较宽的工作电压范围及低功耗特性。当发射电压为3V时,发射电流约为2mA,发射功率较小,最佳工作电压为12V,发射电流约为5~8mA。发射电路采用12V圆柱形打火机电池进行供电。 .F05采用PT2262编码。PT2262的编码数据和地址以串行方式并且通过RF或IR调制方式发射。
最多可采用12条三态地址线,可以提供531441种地址编码。因此,最大程度上避免了编码的冲突。
发射模块电路如下图所示。振荡电阻取3.3MQ,当17脚无信号输出时,电路不工作,发射电流为零;当14脚为低电平时,17脚输出已设定的编码脉冲对发射电路进行调制发射。
(2)接收模块
接收模块J05C由超外差电路结构IC芯片和温度补偿电路构成,具有较高的接收灵敏度及稳定性,芯片内含低噪声射频放大器、混频器、本地振荡器、中频放大器、滤波器及限幅比较器。输出为数据电平信号,信号直接接至PT2272解码。
接收模块采用PT2272芯片解码。PT2272解码芯片有不同的后缀,表示不同的功能,有L4/M4/L6/M6之分,其中L表示锁存输出,数据只要成功接收就能一直保持对应的电平状态,直到下次遥控数据发生变化时改变。M表示非锁存输出,数据脚输出的电平是瞬时的而且和发射端是否发射相对应。可以用于类似点动的控制。后缀的6和4表示有几路并的控制通道。
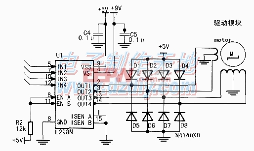
3.电机驱动模块
选用可以用程序控制的,且可实现精确定位的步进电机。使用L298N芯片驱动步进电机工作。
L298N芯片可以驱动两个二相电机,也可以驱动一个四相电机,输出电压最高可达50V,可以直接通过电源来调节输出电压。本设计直接用单片机的I/O口提供信号。如下图所示,引脚5、7、10、12分别接单片机的P1.0、P1.1、P1.2、P1.3。
4.电源模块
步进电机及控制系统采用统一电源供电。由9V/2A直流稳压电源统一供电。电机驱动采用+9V直流电,经7809稳压芯片稳压后输出,控制电路采用+5V直流电,经7805稳压芯片稳压后输出供电。
5.语音信号灯提示模块
采用蜂鸣器和发光二极管提示锁的当前工作是通过锁芯的旋转,施加适当扭矩通过机械传动装置进行门闩开启、关闭。本装置在三保险双舌弹珠门锁上改装,待改装的门锁主要由锁体、斜舌、斜舌连杆、斜舌连动弹簧、方舌、方舌联片、方舌系统弹簧片方框、弹簧片、方舌系统支柱、外钥匙连动片轴、内钥匙转头组成。l该改装主要是内钥匙转头替换为电机驱动。将内钥匙转头卸下,可以看到有一个Q形状的小孔,利用现成的小孔将电机轴伸入锁体,再将原内钥匙转头上的空心凸轮焊接在电机轴上,这样减少了不必要的加工,也节约了成本,同时保证了门外钥匙开锁和内外遥控开锁的双重功能。其他模块封装后可通过螺丝安装在门板上。
工作总程序设计
接通电源系统启动,绿灯亮。等待接收信号,当接收到信号时,判断是否是正确信号。如果是正确信号,启动开锁定时程序,同时蜂鸣器短鸣一秒,绿灯闪三次表示门锁已开启,如果开启后用户无动作或者已开门则该装置在开启后等待30s自动上锁(安全性考虑)。如果检测到的是错误信号,则蜂鸣器连续短鸣报警,计时15s后系统还原到等待状态。
系统程序流程框图如下图所示。