0
问答首页 最新问题 热门问题 等待回答标签广场
我要提问

电子电路单片机

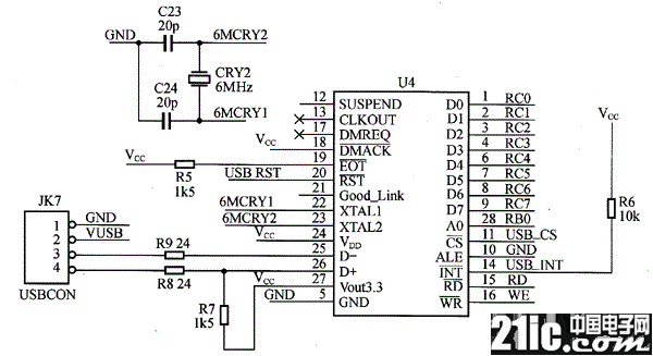
PDIUSBD12与PlCl6F877单片机的接口原理电路图

PDIUSBD12与PlCl6F877单片机的接口原理电路图
提问者:huzp_123 地点:- 浏览次数:7512 提问时间:01-03 16:31
我有更好的答案
提 交
1条回答
风龙陈谷子 01-08 05:04

PDIUSBD12与PlCl6F877单片机的接口原理电路图如下所示:


PDIUSBD12与PlCl6F877单片机的接口原理电路图

撰写答案
提 交
1 / 3
1 / 3
相关电子电路
TDA16846组成的彩电开关电源原理图
联想LX-PL4C2型彩色显示器开关电源电路
长虹CN-9机心彩电开关电源电路
索尼KV2184彩电开关电源电路
王牌TCL-3460D彩电开关电源电路
相关单片机
具有音调控制的单片机立体声前置放大器
用于单片机与电子装置中的开关电源
单片机软硬件复位的条件都有啥
电动机的单片机控制
单片机应用系统开发实例导航