0
问答首页 最新问题 热门问题 等待回答标签广场
我要提问

电子电路玩具电路

玩具警车电路

玩具警车电路
提问者:就好国dd 地点:- 浏览次数:7376 提问时间:06-21 11:21
我有更好的答案
提 交
1条回答
键盘侠Alex 06-22 14:37

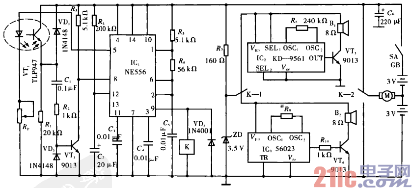
35.玩具警车电路.gif


电路工作原理:VT1是一体化红外接收头,由二极霄发射红

外线,三极管接收。IC1(NE556)是双时基集成块,由R5、R6、

C5,组成振荡回路,振荡频率约为1 200 Hz,通过5脚去驱动红外

发射二极管发出调制红外光。红外接收二极管与R1,C1、R2、

VT2组成红外接收、光电转换和脉冲触发电路。

撰写答案
提 交
1 / 3
1 / 3
相关电子电路
TDA16846组成的彩电开关电源原理图
联想LX-PL4C2型彩色显示器开关电源电路
长虹CN-9机心彩电开关电源电路
索尼KV2184彩电开关电源电路
王牌TCL-3460D彩电开关电源电路
相关玩具电路
玩具碰碰车电路图
光控延时闪光玩具车电路
玩具潜艇的沉浮控制电路图
玩具电子猫电路
玩具碰碰车电路