0
问答首页 最新问题 热门问题 等待回答标签广场
我要提问

家用电器电磁炉电路

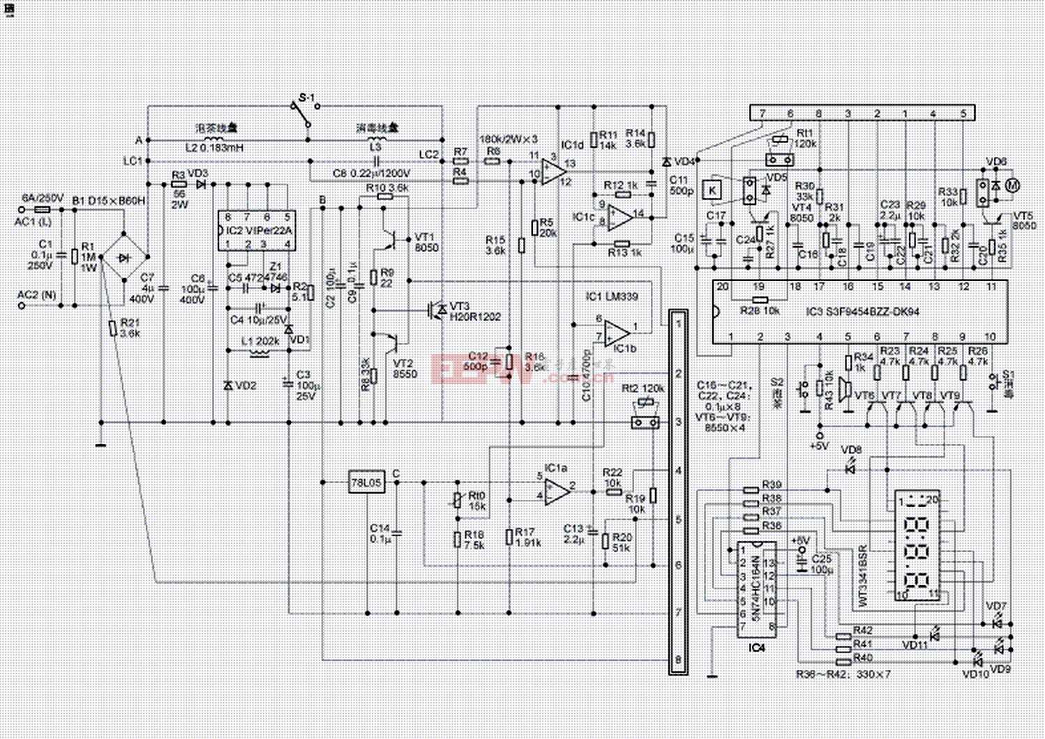
电磁泡茶炉的工作原理

电磁泡茶炉的工作原理
提问者:jiaodelong11 地点:- 浏览次数:7554 提问时间:11-30 09:27
我有更好的答案
提 交
1条回答
jfuwrwer 12-01 06:28












撰写答案
提 交
1 / 3
1 / 3
相关家用电器
胆机cs8412+df1700+pcm58组合,廉价好声的电路电路图
胆机PCM1793电路图
用晶体管/三极管以PWM波形来驱动风扇的电路图
胆机TDA1541NOS DAC胆版电源电路图
有正反转功能变频器的可逆电路
相关电磁炉电路
电磁抱闸制动控制电路图
电磁炉的完整电路图
电磁场探测器电路
电磁辐射检测器工作原理及制作方法
电磁灶的锅质检测电路