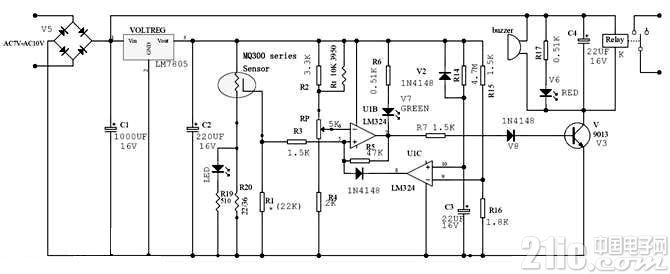
一个简单的酒后驾车自动保护系统图,利用酒精传感器的含有酒精气体检测装置,当在车内检测到酒精浓度超过标准,电路中继电器动作,切断汽车发动机,使汽车不能开动。如图5, 此电路控制简单,缺点只要车内酒精浓度超标则会动作,所以应用存在局限性,如出租车就不适合。

关于华秋个人信息保护与技术必要性收集的说明欢迎访问华秋电子一站式服务平台!为保障网站安全稳定运行、履行《网络安全法》项下的网络安全保护义务,我们会使用Cookie记录您的基本访问偏好及防攻击识别信息。在您明确授权前,我们通过匿名化技术处理您的访问行为。继续浏览或点击“同意”即代表您认可我们依据最新的《华秋平台服务协议》与《隐私权协议》处理相关技术性数据,以确保为您提供流畅的询价与采购服务。