
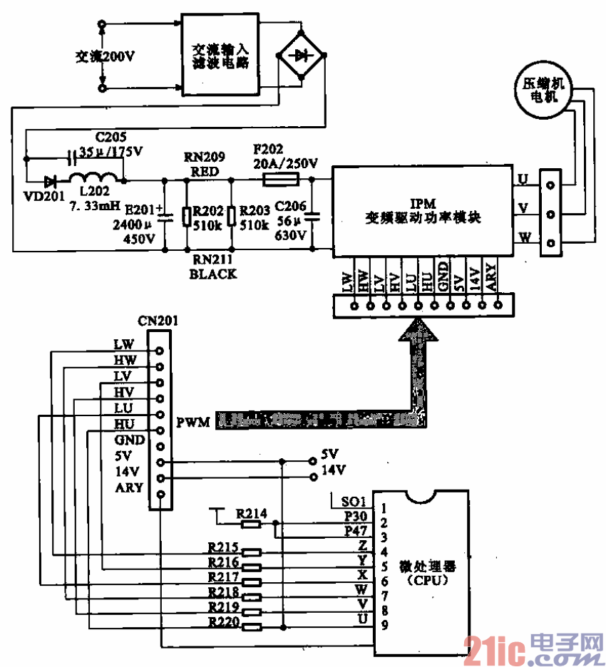
所示是变频电动机驱动电路,变频电动机是微处理器的控制对象之一t微处理器的④~@
脚输出6路控制信号,经过接口CN201去控制变频驱动功率模块,由功率模块输出驱动信号加到电动机
绕组上。
从图可见,微处理器输出的控制信号经过接口CN201送到变频驱动功率模块“交流220 V电源经
交流输入滤波电路和桥式整流电路形成+300 V的直流电压,该电压经整流二极管D201、滤波电感
L202和滤波电容E201使+300 V直流电压更平稳,然后经保险丝F202后加到变频驱动功率模块的直流
供电端,电动机的主要能量由此供给,功率模块输出三相绕组U、V、W的驱动信号并加到压缩机电动
机的端子上。
变频驱动功率模块中集成了6个功率驱动晶体管以及驱动信号处理器电路。这部分电路需要+5 V
和+14 V的工作电压,也需要外部电源提供,此外变频驱动功率模块的故障报警信号(ARY)经接口送
到CPU。