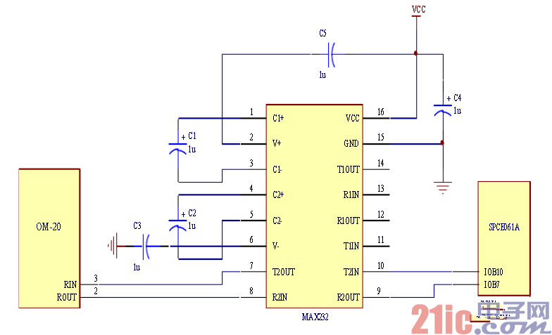
SPCE061A单片机[10]通过串行口与指纹识别模块OM—20通信[11]。SPCE061A单片机内部有一个标准全双工的通用异步接收器/发送器UART。UART的接收信号Rx和发送信号Tx分别与IOB7和IOB10共用,属于B口的特殊功能。 由于SPCE061A单片机串口采用TTL电平,而指纹识别模块OM—20串口采用RS232电平,为了实现两者之间的通讯必须进行电平转换。 RS232标准是美国电子工业联合会正式公布的串行总线标准,RS232串行接口总线适用于设备之间的通讯距离不大于15m,传输速率最大为20kBps。RS232采用负逻辑规定逻辑电平。

实现RS232与TTL逻辑电平转换可用分立元件,也可用集成电路芯片。目前较为广泛使用的集成电路转换器件,如MC1488、SN75150芯片可完成TTL电平到RS232电平的转换,而MC1489、SN75154可实现RS232电平到TTL电平的转换。 图3.1为SPCE061A单片机与指纹识别模块OM—20的接口电路,MAX232对电源噪声很敏感,因此Vcc加1μf去耦电容,电容C1,C2,C3,C4取1μf去耦电容,用于提高抗干扰能力。