0
问答首页 最新问题 热门问题 等待回答标签广场
我要提问

开关电源电路开关电路

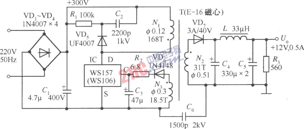
WS157构成的+12V、0.5A单片开关稳压电源电路

WS157构成的+12V、0.5A单片开关稳压电源电路
提问者:dkhwakd 地点:- 浏览次数:3814 提问时间:06-28 16:08
我有更好的答案
提 交
1条回答
pfdos 07-03 16:07

由WSl57构成的+12V、0.5A单片开关稳压电源电路如图所示。其输出功率为6W。当输入交流电压在110~260V范围内变化时,电压调整率Sv≤1%。当负载电流大幅度变化时,负载调整率SI=5%~7%。

 

 

 

撰写答案
提 交
1 / 3
1 / 3
相关开关电源电路
TEA1753T开关电源应用电路
TH-1024S集线器开关电源电路图
24V开关电源原理电路图
谁有开关电源电路原理图
一种UC3842设计的PWM开关电源电路
相关开关电路
数控开关电源过流保护电路图
全桥式开关电源电路主回路
红外灯遥控开关电路图
单路双通道电源遥控开关接收电路
聚合开关式过流保护电路图