0
问答首页 最新问题 热门问题 等待回答标签广场
我要提问

开关电源电路

用WS157或WS106制成的小功率微型开关稳压电源

用WS157或WS106制成的小功率微型开关稳压电源
提问者:60user177 地点:- 浏览次数:8374 提问时间:03-01 19:43
我有更好的答案
提 交
1条回答
cmlzwkd 03-06 05:01

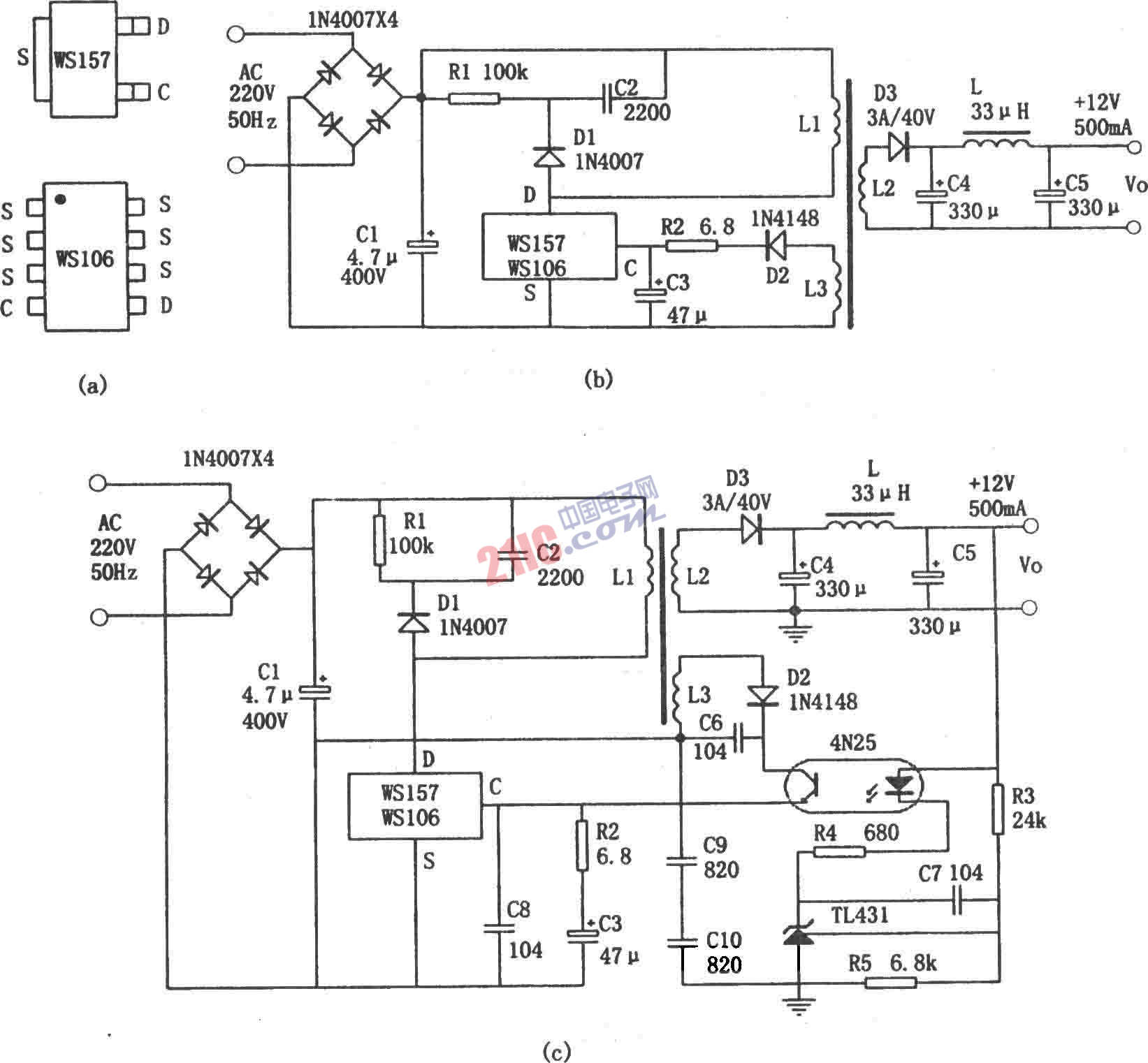
如图所示为用WS157或WS106小功率微型开关稳压电源。WS157或WS106是近年来新近开发的一种稳压式开关电源控制器件,内部将控制电路和功率开关管集成到同一个芯片上,具有PWM控制、过流过热等多种检测保护功能,外部仅需接合适的开关变压器和少量元件就能正常工作。用它制成的稳压电源特点是直接将交流市电(220V)转换成低压直流,且体积小巧,制作简单。WS157的功率为18W,WS106功率为12W。

 

 

撰写答案
提 交
1 / 3
1 / 3
相关开关电源电路
TEA1753T开关电源应用电路
TH-1024S集线器开关电源电路图
24V开关电源原理电路图
谁有开关电源电路原理图
一种UC3842设计的PWM开关电源电路