0
问答首页 最新问题 热门问题 等待回答标签广场
我要提问

开关电源电路

DN-41组成的大电流开关稳压器

DN-41组成的大电流开关稳压器
提问者:时光科技 地点:- 浏览次数:1860 提问时间:11-27 01:46
我有更好的答案
提 交
1条回答
UserMen 12-02 09:09

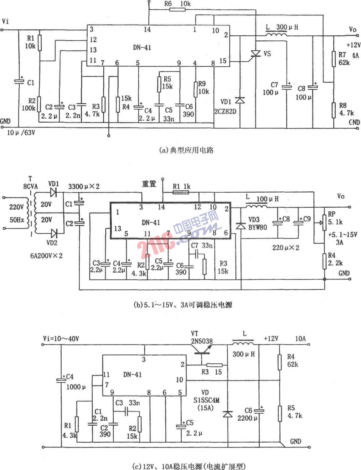
如图所示为由DN-41组成的大电流开关稳压器。DN-41内设有过流、过压(撬棍)保护电路、重置电路、柔顺启动电路等,具有外围元件少、工作稳定、安全可靠等优点。其输出电压可在5.1~15V之间连续调节,最大输出电流为4A,转换效率为90%,开关频率可达200kHz。

 

 

撰写答案
提 交
1 / 3
1 / 3
相关开关电源电路
TEA1753T开关电源应用电路
TH-1024S集线器开关电源电路图
24V开关电源原理电路图
谁有开关电源电路原理图
一种UC3842设计的PWM开关电源电路