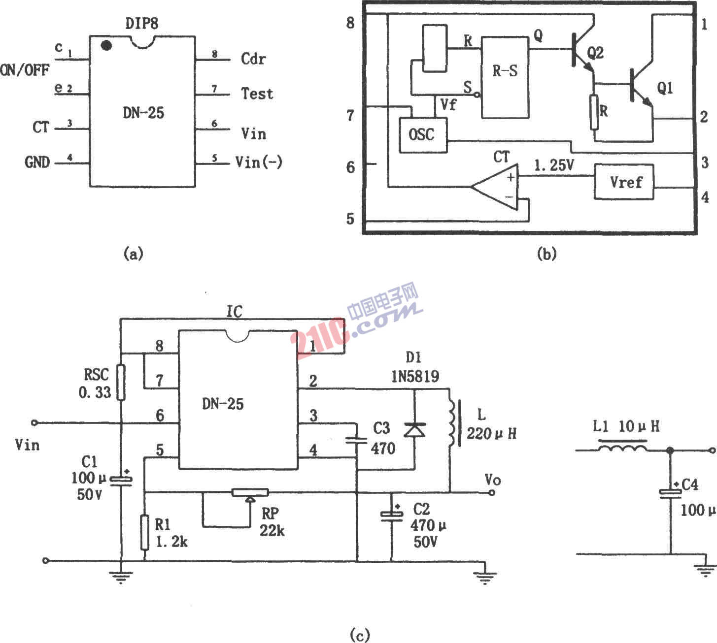
开关电源电路

如图所示为由DN-25集成电路的开关稳压电源。DN-25是单片开关型稳压电源器件,适合制作中等输出电流、宽调压范围的稳压电源。它的主要性能指标如下:输入电压VIN=3~40V,输出电压Vo=1.25~24V(连续可调),最大输出电流IOM=1A,最大输出功率POM=36W,负载短路限制电流IOSH≤1.1A。DN-25采用8脚双排直插式封装(DIP-8),其内部电路主要包括:(1)振荡器(OSC);(2)R-S触发器;(3)输出开关;(4)电压基准(VREF=1.25V)和比较器。DN-25内部振荡器的振荡频率f由③脚所接入的定时电容CT决定,f=1/CT。
开机后,振荡器起振,输出的VF信号经R-S触发器变换整形,产生一个保持原频率,的矩形脉冲激 励电压,再由Q1、Q2组成的达林顿电路放大后,由②脚输出。输出电压V0的调整是通过调节比较器反相输入端⑤脚的电压得以实现的。⑤脚电压的改变,可以调节R-S触发器输出的激励脉冲宽度,从而引起输出电压Vo的变化。该稳压电源VIN=25V,Vo =(1+RP/R)×VREF,稳定度为0.12%;负载调整率为0.03%;短路限制电流IOSH=1.1A;效率η=82.50%;纹波小于120mVp-p。如需进一步降低纹波,可在其输出端加一节LC滤波器。